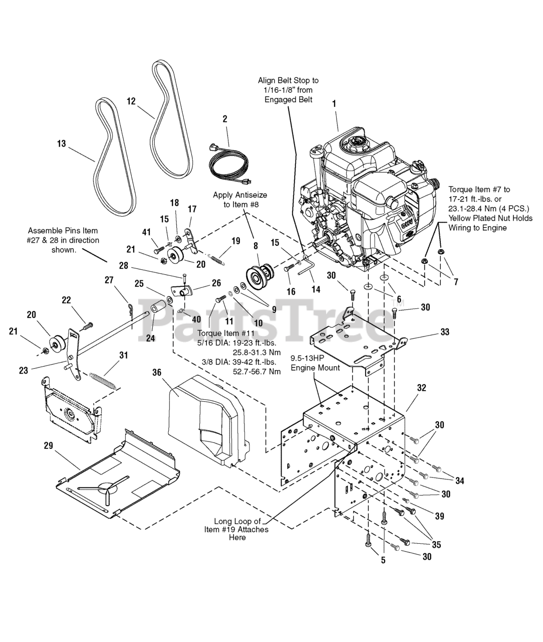
1695720 - Murray 29" Snow Thrower, 14.5hp (2009) Engine and Frame Group - Steerable Parts Diagram

29" Snow Thrower, 14.5hp

Engine and Frame Group - Steerable Parts Diagram

  • Title
1

Murray 20M314-0116-E1

ENGINE, B&S Powerbuilt *

Note: (Model # 20M314-0116-E1)

$

$

Currently unavailable

2

Murray 6219MA

CORD, Electric, 10FT. 110V

$42.99

$

In Stock, only 1 left!

0

5

Murray 002X97MA

CARRIAGE BOLT
(Superseded to 704210)

$4.99

$

In Stock, only 2 left!

0

6

Murray 028X76MA

NUT, Speed

$4.49

$

Usually ships in 2-12 days

0

7

Murray 1960686SM

NUT, Hex-Flange 5/16-18
(Superseded to 703115)

$3.49

$

In Stock, Qty 19

0

8

Murray 1501109MA

PULLEY, Engine

$43.99

$

In Stock, only 2 left!

0

9

Murray 1922755SM

WASHER, 5/16
(Superseded to 704128)

$5.49

$

In Stock, Qty 17

0

10

Murray 1916965SM

LOCKWASHER, 3/8
(Superseded to 703454)

$3.49

$

In Stock, Qty 20+

0

11

Murray 1960428SM

CAPSCREW, Hex Head, 5/16-24 x 1-1/4 G8
(Superseded to 703165)

$4.49

$

Usually ships in 2-12 days

0

12

Murray 1733324SM

V-BELT, Drive

$19.99

$

In Stock, Qty 20+

0

13

Murray 585416MA

V-BELT, Auger

$23.99

$

In Stock, Qty 20+

0

14

Murray 1733014SM

STOP, Belt
(Superseded to 1739070YP)

$8.49

$

In Stock, only 2 left!

0

15

Murray 1917356SM

LOCKWASHER, Spring 5/16
(Superseded to 5025170SM)

$4.49

$

In Stock, only 2 left!

0

16

Murray 1921515SM

CAPSCREW, Hex Head, 5/16-24 x 3/4 G5
(Superseded to 703336)

$4.99

$

In Stock, Qty 12

0

17

Murray 1501112YZMA

IDLER BRACKET ASSEMBLY, Drive Belt
(Superseded to 1687797YP)

$8.99

$

In Stock, only 2 left!

0

18

Murray 1501065MA

BUSHING, Idler Bracket

$5.99

$

In Stock, only 2 left!

0

19

Murray 53704MA

SPRING, Extension Idler

$8.99

$

In Stock, only 2 left!

0

20

Murray 1502120MA

IDLER, Plastic Ball Bearing

$23.99

$

In Stock, only 2 left!

0

21

Murray 1960251SM

NUT, Hex Jam, 3/8-16
(Superseded to 703230)

$5.49

$

In Stock, only 4 left!

0

22

Murray 585781MA

CARRIAGE BOLT, 3/8-16 x 1-1/4
(Superseded to 1960268SM)

$4.49

$

In Stock, only 3 left!

0

23

Murray 1501226YZMA

IDLER ASSEMBLY, Auger

$55.99

$

Usually ships in 2-12 days

0

24

Murray 1501200MA

SPACER, Auger Idler

$6.49

$

Usually ships in 2-12 days

0

25

Murray 1960027SM

WASHER, 1/2
(Superseded to 703128)

$3.99

$

In Stock, Qty 20+

0

26

Murray 1733451SM

BRACKET & HUB ASSEMBLY, Spring

$22.99

$

In Stock, only 2 left!

0

27

Murray 711682MA

PIN, Hair
(Superseded to 703300)

$3.99

$

In Stock, Qty 20+

0

28

Murray 1736381YP

PIN, Clevis
(Superseded to 703313)

$5.49

$

In Stock, only 1 left!

0

29

Murray 1740906ASM

PANEL, Bottom
(Superseded to 1753969BMYP)

$

$

Not available

30

Murray 1927429SM

SCREW, Hex Washer Head Taptite, 1/4-20 x 5/8
(Superseded to 703054)

$4.49

$

In Stock, Qty 6

0

31

Murray 165X159MA

SPRING, Extension Auger Idler

$7.49

$

In Stock, Qty 5

0

32

Murray 1733154BIYP

FRAME BOX

$126.99

$

Usually ships in 2-12 days

0

33

Murray 1733583BIYP

PLATE, Engine Mount

$46.99

$

Usually ships in 2-12 days

0

34

Murray 1924856SM

SCREW, Hex Washer Head Taptite, 5/16-18 x 1/2
(Superseded to 703985)

$4.49

$

Usually ships in 2-12 days

0

35

Murray 1664847SM

SCREW, Hex Washer Head Taptite, 5/16-18 x 3/4
(Superseded to 703228)

$4.49

$

In Stock, Qty 8

0

36

Murray 1502169MA

COVER, Belt

$73.99

$

Usually ships in 2-12 days

0

39

Murray 26X306MA

SCREW, Hex
(Superseded to 1751355YP)

$6.99

$

Usually ships in 2-12 days

0

40

Murray 7023590SM

PIN, Cotter, Self Lock, .25

$4.49

$

In Stock, Qty 20+

0

41

Murray 323328MA

SCREW, 5/16-24 x 1.00
(Superseded to 703301)

$4.49

$

In Stock, Qty 20+

0