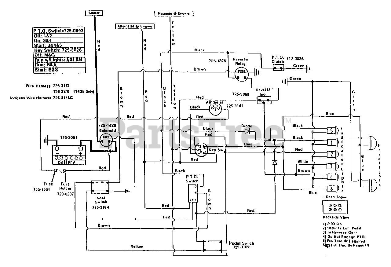
1720 (139-272-100) - Cub Cadet Garden Tractor (SN: 147088 - 207400) Electrical System L.T. S/N 170,601 - 207,400 Parts Diagram

Garden Tractor

Electrical System L.T. S/N 170,601 - 207,400 Parts Diagram

  • Title