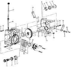
1782 (141-712-100) - Cub Cadet Super Garden Tractor (SN: 800000 - 821059) Parts & Diagrams Parts Lists & Diagrams

Super Garden Tractor