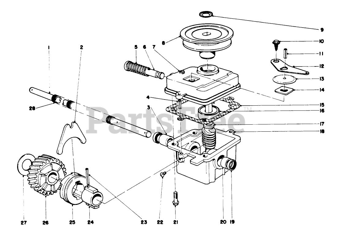
18095 - Toro Walk-Behind Mower (SN: 009000001 - 009999999) (1979) Gear Case Assembly Parts Diagram

Walk-Behind Mower

Gear Case Assembly Parts Diagram

  • Title
1

Toro 37-9440

DRIVE SHAFT (SERVCE)

$

$

Not available

2

Toro 5-3247

SHIFTER FORK

$

$

Not available

3

Toro 256-263

See Supercession: 47-2900
(Superseded to 47-2900)

$6.99

$

In Stock, Qty 20+

0

4

Toro 32121-1

3/16 X 1/2 ROLL PIN

$4.99

$

In Stock, Qty 5

0

5

Toro 3-0731

SPRING

$

$

Not available

6

Toro 5-3248

See Supercession: 46-8240
(Superseded to 46-8240)

$50.99

$

Usually ships in 3-6 days

0

7

Toro 33-2080

DISCONTINUED XREF

Note: Used on units with serial no. 9000001 thru 9500001

$

$

Not available

Toro 39-1100

DISCONTINUED PRC4

Note: Used on units with serial no. 9500001 up

$

$

Not available

Toro 39-1100

DISCONTINUED PRC4

Note: Not illustrated

$

$

Not available

8

Toro 20-2780

DISCONTINUED

$

$

Not available

9

Toro 3290-346

PUSH-ON 93-3236

$9.99

$

In Stock, only 1 left!

0

10

Toro 32140-64

See Supercession: 32144-112
(Superseded to 32144-112)

$1.49

$

In Stock, Qty 5

0

11

Toro 32121-23

PIN-ROLL

$

$

Not available

12

Toro 5-3252

SHIFTER ARM

$40.99

$

Usually ships in 3-6 days

0

13

Toro 3-2615

TRANS DUST COVER

$

$

Not available

14

Toro 3-0681

LATCH PLATE

$

$

Not available

15

Toro 36-1000

GASKET

$

$

Not available

16

Toro 251-144

See Supercession: 47-7460
(Superseded to 47-7460)

Note: Used on units with serial no. 9000001 thru 9500001

$72.99

$

Usually ships in 3-6 days

0

Toro 251-284

See Supercession: 47-7250
(Superseded to 47-7250)

Note: Not illustrated

$

$

Not available

Toro 251-284

See Supercession: 47-7250
(Superseded to 47-7250)

Note: Used on units with serial no. 9500001 up

$

$

Not available

17

Toro 6-9949

DISCONTINUED

Note: Used on units with serial no. 9000001 thru 9500001

$

$

Not available

Toro 8-5679

WORM SHAFT & GEAR SET

Note: Used on units with serial no. 9500001 up

$184.99

$

In Stock, only 3 left!

0

Toro 8-5679

WORM SHAFT & GEAR SET

Note: Not illustrated

$184.99

$

In Stock, only 3 left!

0

18

Toro 8-0479

GEAR CASE ASM

$

$

Not available

19

Toro 253-140

See Supercession: 47-6730
(Superseded to 47-6730)

$15.99

$

In Stock, only 4 left!

0

20

Toro 256-110

Bushing
(Superseded to 47-2890)

$3.99

$

Usually ships in 3-6 days

0

21

Toro 11-9760

See Supercession: 49-2040
(Superseded to 49-2040)

$2.49

$

In Stock, Qty 20+

0

22

Toro 28-1550

NYLON SCREW

$

$

Not available

23

Toro 32121-98

See Supercession: 32121-88
(Superseded to 32121-88)

$8.99

$

In Stock, only 1 left!

0

24

Toro 3-0721

SLEEVE

$

$

Not available

25

Toro 19-5660

CLUTCH JAW

$

$

Not available

26

Helical Gear

$

$

Not available

27

Toro 3-0724

THRUST WASHER

$

$

Not available

28

Toro 24-7920

COVER-SHAFT, DRIVE

$12.99

$

Usually ships in 3-6 days

0

Toro 33-2151

See Supercession: 8-6879
(Superseded to 8-6879)

Note: Not illustrated

$1228.99

$

Usually ships in 3-6 days

0