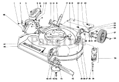
18257 - Toro Guardian Walk-Behind Mower (SN: 002000001 - 002999999) (1972) Parts & Diagrams Parts Lists & Diagrams

Guardian Walk-Behind Mower