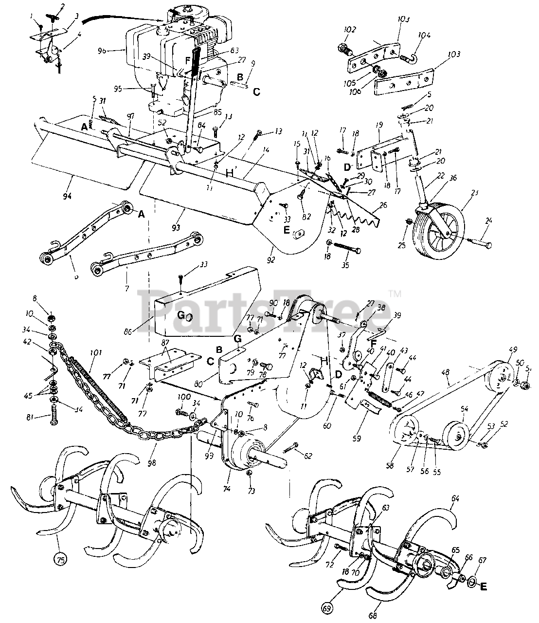
190-960-190 - White Outdoor 8hp Tiller Attachment (1988) Tiller Assembly Parts Diagram

8hp Tiller Attachment

Tiller Assembly Parts Diagram

  • Title
1

MTD 710-0227

Hex Wash. Hd. Selt-Tap Scr. #8 x .50" Lg.

$4.49

$

In Stock, Qty 20+

0

2

MTD 731-0108

Throttle Control Knob- 0

Note: (Service Only)

$9.99

$

In Stock, Qty 6

0

3

MTD 04971

Throttle Control Bracket

Note: NLA

$

$

Currently unavailable

4

MTD 746-0384

Throttle Control Ass'y. Comp.

Note: NLA

$

$

Currently unavailable

5

MTD 714-0147

Internal Cotter Pin

$5.49

$

In Stock, Qty 6

0

6

MTD 13130

Draft Bar Ass'y.-R.H.

Note: NLA (918 & 995)

$

$

Not available

7

MTD 13129A-0637

Draft Bar Ass'y.-L.H.

Note: (918 & 995)

$

$

Not available

8

MTD 712-0241

Hex Nut 3/8-24 Thd.

$4.99

$

In Stock, only 2 left!

0

9

MTD 914-0114

Sq. Key 1/4" x 1/4" x 2.00"

$4.49

$

In Stock, only 2 left!

0

10

MTD 936-0169

L-Wash. 3/8" I.D.
(Superseded to 736-0169)

$3.99

$

In Stock, Qty 13

0

11

MTD 912-0138

Hex Nut 1/4-28 Thd.
(Superseded to 712-0138)

$

$

Not available

12

MTD 936-0329

L-Wash. 1/4" I.D.

$4.99

$

In Stock, Qty 12

0

13

MTD 910-0195

Hex Bolt 1/4-28 x .62" Lg.

$3.99

$

In Stock, only 1 left!

0

14

MTD 04966A

Support Frame Assembly

Variations

04966A-0498

MTD 04966A-0498

FRAME ASSY-SUPPORT - OLD CUB YELLOW (0498)

$

$

Not available

04966A-0637

MTD 04966A-0637

No Longer Available FRAME ASM - POWDER BLACK (0637)

$

$

Not available

$

$

15

MTD 910-0429

Hex Hd. "B"-Tap Scr. #10 0 x.62" Lg.

$3.99

$

Usually ships in 3-6 days

0

16

MTD 727-0225

#2 Dog Chain x 20" Lg.

$

$

Not available

17

MTD 710-0623

Hex Wash. Hd. Self-Tap Scr. 3/8-24 x .75" Lg.

$4.49

$

In Stock, Qty 12

0

18

MTD 936-0169

L-Wash. 3/8" I.D.
(Superseded to 736-0169)

$3.99

$

In Stock, Qty 13

0

19

MTD 04978-0637

Swivel Wheel Support

$

$

Not available

20

MTD 736-0188

Fl-Wash. 3/4" I.D. x 1.50" O.D.

$4.99

$

In Stock, Qty 20+

0

21

MTD 941-0382

Flange Bearing 3/4" I.D. x 1.00" O.D.

$

$

Not available

22

MTD 04981-0637

Swivel Wheel Caster

$

$

Not available

23

MTD 734-0979

Wheel Assembly 10.0 x 2.75

$

$

Not available

24

MTD 738-0476

Shoulder Bolt .623" I.D. x 3.62" Lg.

Note: NLA

$

$

Not available

25

MTD 712-0290

Hex Cent. L-Nut 7/16-14 Thd.

$4.99

$

In Stock, Qty 8

0

26

MTD 04985

L.H. Shield Hinge Flap

Note: NLA

Variations

04985-0498

MTD 04985-0498

No Longer Available - OLD CUB YELLOW (0498)

$

$

Not available

04985-0637

MTD 04985-0637

No Longer Available FLAP-HINGE - POWDER BLACK (0637)

$

$

Not available

$

$

26

MTD 04986

R.H. Shield Hinge Flap

Note: NLA

Variations

04986-0498

MTD 04986-0498

No Longer Available - OLD CUB YELLOW (0498)

$

$

Not available

04986-0637

MTD 04986-0637

No Longer Available FLAP-HINGE - POWDER BLACK (0637)

$

$

Not available

$

$

27

MTD 914-0115

Cotter Pin 1/8" Dia. x 1.00" Lg.
(Superseded to 714-0115)

$4.49

$

In Stock, Qty 16

0

28

MTD 747-0340

L.H Flap Rod

Note: NLA

$

$

Currently unavailable

28

MTD 747-0339

R.H. Flap Rod

Note: NLA

$

$

Currently unavailable

29

MTD 710-0751

Hex Bolt 1/4-20 x .62" Lg.

$4.49

$

In Stock, Qty 20+

0

30

MTD 736-0173

Fl-Wash. 1/4" I.D.

$4.49

$

In Stock, Qty 20+

0

31

MTD 14891

Brace-Tine Shield

Note: NLA

Variations

14891-0498

MTD 14891-0498

No Longer Available - OLD CUB YELLOW (0498)

$

$

Not available

14891-0637

MTD 14891-0637

No Longer Available BRACE TINE - POWDER BLACK (0637)

$

$

Not available

$

$

32

MTD 912-0287

Hex Nut 1/4-20 Thd.

$4.99

$

Usually ships in 3-6 days

0

33

MTD 710-0896

Hex Wash. Hd. Self-Tap Scr. 1/4" x .62" Lg.

$4.49

$

In Stock, Qty 18

0

34

MTD 736-0258

Fl-Wash. .385" I.D. x 1.0" O.D. x .135 Thk.

$4.99

$

In Stock, Qty 11

0

35

MTD 710-3005

Hex Bolt 3/8-16 x 1.25" Lg.

$4.49

$

In Stock, Qty 20+

0

36

MTD 711-0469

Spacer.752" I.D. x 1.25" O.D.

$8.49

$

Usually ships in 3-6 days

0

37

MTD 912-0158

Hex Cent. L-Nut 5/16-18 Thd.

$3.49

$

In Stock, Qty 14

0

38

MTD 04987

Clutch Lever

Note: NLA

Variations

04987-0637

MTD 04987-0637

No Longer Available LEVER-CLUT - POWDER BLACK (0637)

$

$

Not available

$

$

39

MTD 747-0379

Clutch Rod

$

$

Not available

40

MTD 938-0140

Shoulder Bolt 7/16" Dia. x 1.75" Lg.
(Superseded to 738-0140)

$

$

Not available

41

MTD 04992

Idler Bracket

Note: NLA

Variations

04992-0637

MTD 04992-0637

No Longer Available BRACKET-ID - POWDER BLACK (0637)

$

$

Not available

$

$

42

MTD 911-0242

Spacer .380" I.D. x 1.010" O.D. x .320 Thk.

$4.99

$

In Stock, Qty 8

0

43

MTD 747-0342

Clutch Link 3.62" Lg.

Note: NLA

Variations

747-0342-0637

MTD 747-0342-0637

No Longer Available CLUTCH LIN - POWDER BLACK (0637)

$

$

Not available

$

$

44

MTD 938-0155

Shoulder Bolt .435" Dia. x .160" Lg.

$7.49

$

Usually ships in 3-6 days

0

45

MTD 936-0185

Fl-Wash. .406" I.D. x .74" O.D. x .063 Thk.
(Superseded to 736-0185)

$4.49

$

In Stock, only 3 left!

0

46

MTD 932-0384

Extension Spring .62" O.D. x 6.12" Lg.

$14.99

$

Usually ships in 3-6 days

0

47

MTD 912-0214

Hex Crown Nut 3/8-24 Thd.
(Superseded to 712-0214)

$6.99

$

In Stock, Qty 20+

0

48

MTD 954-0253

V-Belt 1/2" x 43" Lg. (Kevlar)

$

$

Not available

49

MTD 756-0351

1/2" "V"-Pulley 4.75" O.D. x .625" Bore

Note: NLA

$

$

Not available

50

MTD 936-0158

L-Wash. 5/8" I.D.

$4.99

$

In Stock, Qty 10

0

51

MTD 712-0221

Hex Ins. L-Nut 5/8-18 Thd.

$

$

Not available

52

MTD 712-0375

Hex Cent. L-Nut 3/8-16 Thd.

$4.99

$

In Stock, only 2 left!

0

53

MTD 936-0140

Fl-Wash. 3/8" I.D.
(Superseded to 736-0140)

$

$

Not available

54

MTD 756-0487

Idler Pulley 4.0" O.D.

$51.99

$

In Stock, Qty 5

0

55

MTD 710-0314

Hex Bolt

$4.99

$

In Stock, Qty 13

0

56

MTD 936-0171

L-Wash. 7/16" I.D.
(Superseded to 736-0171)

$4.99

$

In Stock, Qty 5

0

57

MTD 936-0319

Fl-Wash. 7/16" I.D. x 1.38" O.D.

$12.99

$

Usually ships in 3-6 days

0

58

MTD 756-0350

1/2" "V"-Pulley .475" O.D. x 1.00" Bore

Note: NLA

$

$

Not available

59

MTD 13819

Belt Guard

Note: NLA

Variations

13819-0637

MTD 13819-0637

No Longer Available GUARD-BELT - POWDER BLACK (0637)

$

$

Not available

$

$

60

MTD 710-0520

Hex Bolt 3/8-16 x 1.50" Lg.

$4.99

$

In Stock, only 4 left!

0

61

MTD 912-0158

Hex Cent. L-Nut 5/16-18 Thd.

$3.49

$

In Stock, Qty 14

0

62

MTD 710-0780

Hex Bolt 7/16-14 x 2.00" Lg.

$

$

Not available

63

MTD 04970

Tine Adapter Assembly

Note: NLA

Variations

04970-0637

MTD 04970-0637

No Longer Available ADAPTER AS - POWDER BLACK (0637)

$

$

Not available

$

$

64

MTD 742-0243-0637

Tine-L. H .

$

$

Not available

65

MTD 931-0374

Flange Bearing 1.00" I.D.

$7.99

$

In Stock, Qty 20+

0

66

MTD 748-0276

Spacer

Note: NLA

$

$

Not available

67

MTD 936-0163

Thrust Wash. 1/2" I.D. x 1.55" O.D.
(Superseded to 736-0163)

$

$

Not available

68

MTD 742-0244-0637

Tine-R.H.

$29.99

$

Usually ships in 3-6 days

0

69

MTD 04995-0637

Tine Assembly Comp.-L.H.

$

$

Not available

70

MTD 712-0241

Hex Nut 3/8-24 Thd.

$4.99

$

In Stock, only 2 left!

0

71

MTD 936-0119

L-Wash. 5/16" I.D.

$4.99

$

In Stock, Qty 20+

0

72

MTD 710-0459A

Hex Bolt 3/8-24 x 1.5" Lg.

$7.49

$

In Stock, only 1 left!

0

73

MTD 712-0290

Hex Cent. L-Nut 7/16-14 Thd.

$4.99

$

In Stock, Qty 8

0

74

MTD 04991

Chain Case Ass'y. Comp.

Note: NLA

Variations

04991-0498

MTD 04991-0498

No Longer Available - OLD CUB YELLOW (0498)

$

$

Not available

04991-0637

MTD 04991-0637

No Longer Available - POWDER BLACK (0637)

$

$

Not available

04991-0716

MTD 04991-0716

No Longer Available - CUB YELLOW-99 (0716)

$

$

Not available

$

$

75

MTD 04996

Tine Assembly Comp.-R.H.

Note: NLA

Variations

04996-0637

MTD 04996-0637

No Longer Available TINE ASM- - POWDER BLACK (0637)

$

$

Not available

$

$

76

MTD 710-0376

Hex Bolt 5/16-18 x 1.00" Lg.

$4.49

$

In Stock, Qty 20+

0

77

MTD 912-0267

Hex Nut 5/16-18 Thd.
(Superseded to 912-3010)

$4.99

$

In Stock, Qty 20+

0

78

MTD 710-0777

Hex Bolt 1/2-20 x .88" Lg. (Grade 5)

Note: NLA

$

$

Currently unavailable

79

MTD 936-0921

L-Wash. 1/2" I.D.'
(Superseded to 736-0921)

$4.99

$

In Stock, Qty 9

0

80

MTD 04988

Clutch Support Bracket

Note: NLA

$

$

Currently unavailable

81

MTD 710-0539

Hex Bolt 3/8-24 x 1.75" Lg.

$4.99

$

In Stock, only 2 left!

0

82

MTD 710-0412

Hex Bolt 28 x .75" Lg.

$5.99

$

In Stock, Qty 7

0

83

MTD 720-0142

Plastic Grip

$3.99

$

Usually ships in 3-6 days

0

84

MTD 938-0183

Shoulder Bolt .498 Dia. x .212 Lg.

$

$

Not available

85

MTD 720-0378

Clutch Handle

Note: NLA

$

$

Currently unavailable

86

MTD 14298-0637

Clutch Support Shroud

$

$

Not available

87

MTD 04519-0637

Engine Mounting Bracket

$

$

Not available

90

MTD 710-0201

Hex Bolt 3/8-16 x .62" Lg.

Note: NLA

$

$

Not available

92

MTD 04975-0637

L.H.-Side Plate

$

$

Not available

92

MTD 04976

R.H.-Side Plate

Note: NLA

Variations

04976-0498

MTD 04976-0498

No Longer Available PLATE ASM - OLD CUB YELLOW (0498)

$

$

Not available

04976-0637

MTD 04976-0637

No Longer Available PLATE ASM - POWDER BLACK (0637)

$

$

Not available

$

$

93

MTD 04983-0637

L.H.-Tine Shield

$

$

Not available

94

MTD 04984

R.H.-Tine Shield

Note: NLA

Variations

04984-0498

MTD 04984-0498

No Longer Available - OLD CUB YELLOW (0498)

$

$

Not available

04984-0637

MTD 04984-0637

No Longer Available SHIELD-TIN - POWDER BLACK (0637)

$

$

Not available

$

$

95

MTD 710-3103

Hex Bolt 5/16-18 x 2.00" Lg.

$4.99

$

In Stock, Qty 12

0

96

8 H.P. Engine

$

$

Not available

97

MTD 738-0610

Tiller Mounting Shaft 16" Lg.

Note: NLA

$

$

Not available

98

MTD 713-0354

Chain 23" Lg.

Note: NLA

$

$

Not available

99

MTD 703-0822

Tiller Mounting Bracket

$

$

Not available

100

MTD 710-0191

Hex Bolt 3/8-24 x 1.25" Lg.

$4.99

$

In Stock, Qty 7

0

101

MTD 732-0471

Extension Spring

Note: NLA

$

$

Not available

102

MTD 710-0622

Hex Bolt 5/8-18 x 1.62" Special

Note: NLA (990 Only)

$

$

Currently unavailable

103

MTD 15693

Drag Link Extension

Note: NLA (990 Only)

$

$

Not available

104

MTD 711-0754

Hitch Chain Hook

Note: NLA (990 Only)

$

$

Not available

105

MTD 936-0158

L-Wash. 518" I.D.

Note: (990 Only)

$4.99

$

In Stock, Qty 10

0

106

MTD 712-0318

Hex Jam Nut 5/8-18 Thd.

Note: (990 Only)

$3.49

$

In Stock, Qty 9

0