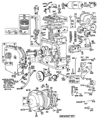
190430-0694-XX - Briggs & Stratton Horizontal Engine Parts & Diagrams Parts Lists & Diagrams

Horizontal Engine