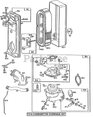
190436-5162-01 - Briggs & Stratton Horizontal Engine Parts & Diagrams Parts Lists & Diagrams

Horizontal Engine