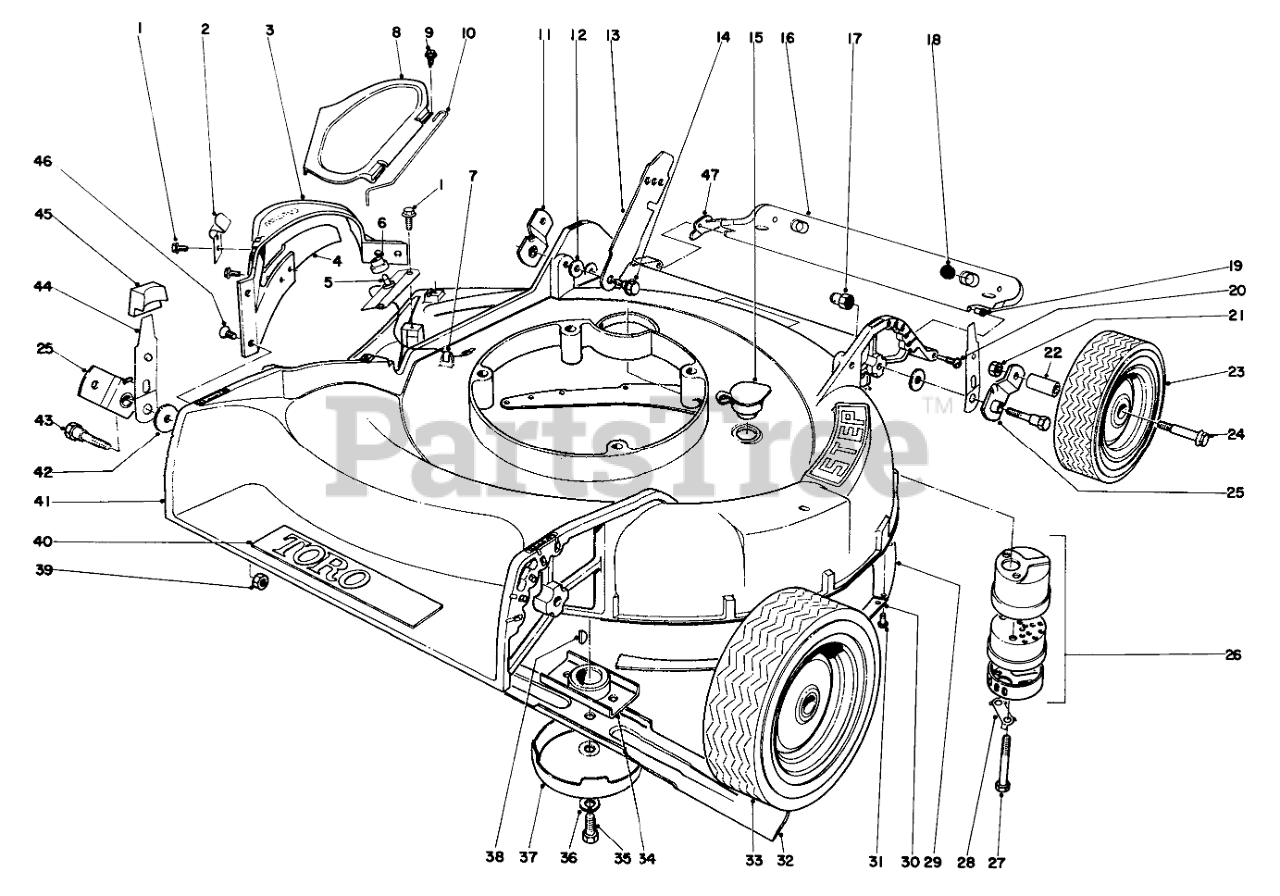
19273 - Toro Guardian Walk-Behind Mower (SN: 003000001 - 003999999) (1973) HOUSING ASSEMBLY MODEL 19173 Parts Diagram

Guardian Walk-Behind Mower

HOUSING ASSEMBLY MODEL 19173 Parts Diagram

  • Title
1

$

$

Currently unavailable

2

Toro 12-1170

Latch

$

$

Not available

3

Toro 12-1160

Deflector (Incl. Ref. #1, 2&4)

$

$

Currently unavailable

4

Toro 10-8960

DefIector Bar

$

$

Currently unavailable

5

Toro 12-4940

Deflector Switch & Wire (Incl. Ref. #6)

$

$

Not available

6

Toro 12-4930

Boot Switch

$

$

Not available

7

$

$

Currently unavailable

8

Toro 8-5760

Deflector Cover

$

$

Currently unavailable

9

Toro 12-5450

SCREW

$10.99

$

In Stock, only 2 left!

0

10

Toro 17-4820

Hinge Spring

$

$

Currently unavailable

11

Toro 8-4260

Pivot Arm
(Superseded to 98-1527)

$

$

Not available

12

Toro 3-3287

SPACER

$5.49

$

In Stock, Qty 13

0

13

Toro 5-2446

Latch
(Superseded to 43-1550)

$

$

Not available

14

Toro 5-2490

SCREW-SHOULDER

$

$

Not available

15

Toro 6-4500

WASHOUT PLUG

$

$

Not available

16

Toro 19-5770

Rear Safety Shield (Incl. Ref. #18 & 19)
(Superseded to 36-2360)

$

$

Not available

17

Toro 12-2080

HANDLE PIVOT NUT

$27.99

$

Usually ships in 3-6 days

0

18

Toro 5-6450

SKID BUTTON

$

$

Not available

19

Toro 8-6080

SAFTEY SHIELD BUSHING

$

$

Not available

20

Toro 8-6160

SAFTEY SHIELD SCREW

$

$

Not available

21

Toro 32146-12

Nut
(Superseded to 3296-6)

$1.99

$

In Stock, only 4 left!

0

22

Toro 17-4560

Bushing
(Superseded to 27-6250)

$2.99

$

In Stock, Qty 20+

0

23

Toro 17-4120

Wheel Assembly
(Superseded to 99-5256)

$

$

Not available

24

$

$

Not available

25

Toro 8-4280

Pivot Arm
(Superseded to 98-1511)

$

$

Not available

26

Toro 5-4769

Muffler (Incl. Ref. #27 & 28)

$65.99

$

Usually ships in 3-6 days

0

27

Toro 321-20

SCREW-HH

$7.99

$

Usually ships in 3-6 days

0

28

Toro 3-5094

CLIP - LOCKING

$12.99

$

Usually ships in 3-6 days

0

29

Toro 8-5540

Main Skirt

$

$

Not available

30

Toro 8-5560

Secondary Skirt

$

$

Currently unavailable

31

$

$

Not available

32

Toro 8-5240

Blade
(Superseded to 8-5240-03)

$

$

Not available

33

Toro 17-4140

Wheel Assembly

$

$

Not available

34

Toro 8-5380

BLADE RETAINER WA

$

$

Not available

35

Toro 3-5246

SPECIAL SCREW

$

$

Not available

36

Toro 3253-22

WASHER-LOCK

$2.99

$

In Stock, only 2 left!

0

37

Toro 8-4240

AntiScalp Cup
(Superseded to 80-2770)

$18.99

$

In Stock, only 4 left!

0

38

Toro 3257-3

KEY-WOODRUFF

$1.49

$

In Stock, Qty 6

0

39

Toro 32146-5

Nut
(Superseded to 32153-3)

$6.99

$

Usually ships in 3-6 days

0

40

Toro 17-4590

Toro Emblem

$

$

Currently unavailable

41

Toro 5-7889

Housing (Incl. Ref. #29, 30 & 31)

$

$

Currently unavailable

42

Toro 5-4460

WASHER-PIVOT

$8.49

$

In Stock, Qty 12

0

43

Toro 3-0655

5/16-18 PIVOT SCREW

$16.99

$

In Stock, only 1 left!

0

44

Toro 8-3840

Spring Arm
(Superseded to 23-0400)

$

$

Not available

45

Toro 8-4220

Knob
(Superseded to 25-7740)

$5.49

$

In Stock, Qty 13

0

46

Toro 11-3010

Screw

$

$

Not available

47

Toro 19-5680

Restraint R.H.

$

$

Not available

Toro 19-5740

Restraint L.H.

Note: Not illustrated

$

$

Not available

Toro 17-4040

Loose Parts Bag

Note: Not illustrated

$

$

Currently unavailable