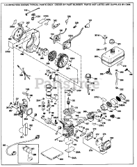
200.673111 - Craftsman Engine, Made by Tecumseh Parts & Diagrams Parts Lists & Diagrams

Engine, Made by Tecumseh

200.673111 - Craftsman Engine, Made by Tecumseh > Parts Diagrams (2)