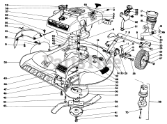
20227 - Toro Whirlwind Walk-Behind Mower (SN: 000000001 - 000999999) (1970) Parts & Diagrams Parts Lists & Diagrams

Whirlwind Walk-Behind Mower