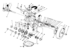
20322 - Toro Walk-Behind Mower (SN: 020000001 - 029999999) (1992) Parts & Diagrams Parts Lists & Diagrams

Walk-Behind Mower