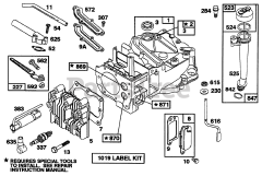
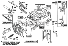
20433 - Toro Walk-Behind Mower (SN: 039000001 - 039999999) (1993) Parts & Diagrams Parts Lists & Diagrams

Walk-Behind Mower