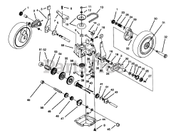
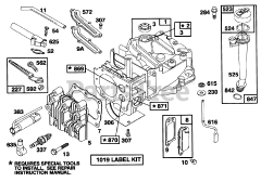
20437 - Toro 21" Recycler II Super Pro Walk-Behind Mower (SN: 039000001 - 039999999) (1993) Parts & Diagrams Parts Lists & Diagrams

21" Recycler II Super Pro Walk-Behind Mower