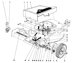
20440 - Toro Walk-Behind Mower (SN: 004000001 - 004999999) (1974) Parts & Diagrams Parts Lists & Diagrams

Walk-Behind Mower