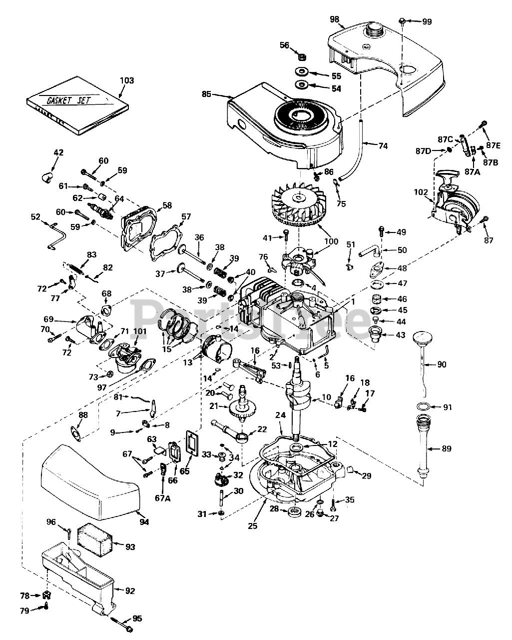
20440 - Toro Walk-Behind Mower (SN: 005000001 - 005999999) (1975) Engine Tecumseh Model No. Tnt 120-12003 Parts Diagram

Walk-Behind Mower

Engine Tecumseh Model No. Tnt 120-12003 Parts Diagram

  • Title
1

Toro 33899

Cylinder Assembly (Incl. Nos. 2, 4 87)

$

$

Currently unavailable

2

Toro 26727

Pin-Dowel

$

$

Currently unavailable

4

Toro 32600

Seal-Oil

$

$

Currently unavailable

5

Toro 30589

Rod, Governor (Incl. No. 36)

$

$

Currently unavailable

6

Toro 28277

Washer-Flat

$

$

Currently unavailable

7

Toro 32651

Governor Lever

$

$

Currently unavailable

8

Toro 31335

Clamp-Lever, Governor

$

$

Currently unavailable

9

Toro 650548

Screw

$

$

Currently unavailable

10

Toro 34085

Crankshaft

$

$

Currently unavailable

12

Toro 32323

Washer-Thrust

$

$

Currently unavailable

13

Toro 33562

Piston Pin Assembly (Incl. 2 of No. 14)(Std.)

$

$

Currently unavailable

13

Toro 33563

Piston Pin Assembly (Incl. 2 of No. 14)(.010 Oversize)

$

$

Currently unavailable

13

Toro 33564

Piston Pin Assembly (Incl. 2 of No. 14)(.020 Oversize)

$

$

Currently unavailable

14

Toro 20381

Ring-Retaining, Piston Pin

$

$

Currently unavailable

15

Toro 33567

Ring Set-Piston Std.

$

$

Currently unavailable

15

Toro 33568

Ring Set-Piston .010 oversize

$

$

Currently unavailable

15

Toro 33569

Ring Set-Piston .020 oversize

$

$

Currently unavailable

16

Toro 32875

Rod Assembly, Connecting (Incl. Nos. 17 18)

$

$

Currently unavailable

17

Toro 32610

Connecting Rod Bolt

$

$

Currently unavailable

18

Toro 32609

Plate Lock

$

$

Currently unavailable

20

Toro 27241

Lifter-Valve

$

$

Currently unavailable

21

Toro 33553

Camshaft(Mech.Comp. Release)

$

$

Currently unavailable

22

Toro 29914

Oil Pump ASM

$

$

Currently unavailable

24

Toro 26750A

Gasket, Mounting

Note: Indicates items included in gasket set part no. 33906.

$

$

Currently unavailable

25

Toro 33901

Flange Assembly, Mounting (Incl. #27, 28, 29 30)

$

$

Currently unavailable

26

Toro 28833

Gasket-Oil Drain

Note: Indicates items included in gasket set part no. 33906.

$

$

Currently unavailable

27

Toro 27244

Plug Oil Drain

$

$

Currently unavailable

28

Toro 27897

Seal-Oil

$

$

Currently unavailable

29

Toro 33885

Plug Oil Drain

$

$

Currently unavailable

30

Toro 30574

Shaft-Governor

$

$

Currently unavailable

31

Toro 30590A

Washer-Flat

$

$

Currently unavailable

32

Toro 33902

Gear Assembly, Governor

$

$

Currently unavailable

33

Toro 33903

Spool, Governor

$

$

Currently unavailable

34

Toro 29193

Ring-Retaining

$

$

Currently unavailable

35

Toro 650488

Screw (1/4-20 x 1-1/4)

$

$

Currently unavailable

36

Toro 29314A

Valve, Intake (Incl. Ref. #38, 39 40) (Std.)

$

$

Currently unavailable

36

Toro 29315B

Valve, Exhaust (1/32" Oversize) (Incl. Nos. 8, 9 10)

$

$

Currently unavailable

37

Toro 29313B

Valve, Exhaust (Standard) (Incl. Nos. 8, 9 10)

$

$

Currently unavailable

37

Toro 29315B

Valve, Exhaust (1/32" Oversize) (Incl. Nos. 8, 9 10)

$

$

Currently unavailable

38

Toro 31671

Cap-Upper Valve Spring

$

$

Currently unavailable

39

Toro 31672

Spring-Valve

$

$

Currently unavailable

40

Toro 31673

Cap-Valve, Spring
(Superseded to 742357)

$

$

Not available

41

Toro 650489

Screw

$

$

Currently unavailable

42

Toro 610118

Cover-Spark Plug

$

$

Currently unavailable

43

Toro 33731

Body Breather Tube

$

$

Currently unavailable

44

Toro 33732

Valve Check

$

$

Currently unavailable

45

Toro 33733

2000A37 WIZARD ROTA

$3.49

$

Usually ships in 3-6 days

0

46

Toro 33734

Element-Breather

$

$

Currently unavailable

47

Toro 33735

Gasket-Breather

Note: Indicates items included in gasket set part no. 33906.

$

$

Currently unavailable

48

Toro 33737

Cover Breather

$

$

Currently unavailable

49

Toro 650768

Screw, Hex Hd. w/Conical

$

$

Currently unavailable

50

Toro 33886

Tube, Breaker

$

$

Currently unavailable

51

Toro 33887

Clip, Breather

$

$

Currently unavailable

52

Toro 33888

Wire, Ground

$

$

Currently unavailable

53

Toro 27247

Key Flywheel

$

$

Currently unavailable

54

Toro 650791

Washer Flat

$

$

Currently unavailable

55

Toro 650790

Washer, Belleville

$

$

Currently unavailable

56

Toro 650792

Nut, Flywheel

$

$

Currently unavailable

57

Toro 33554

Oil Fill Tube

Note: Indicates items included in gasket set part no. 33906.

$

$

Currently unavailable

58

Toro 33016

Head Cylinder

$

$

Currently unavailable

59

Toro 26073

Washer

$

$

Currently unavailable

60

Toro 6021

Screw

$

$

Currently unavailable

61

Toro 650697

Screw Hex Hd. Cap

$

$

Currently unavailable

62

Toro 33892

Space

$

$

Currently unavailable

63

Toro 30593

Retainer Clip

$

$

Currently unavailable

64

Toro 33636

Plug, Spark (J17LM or equiv.)

$

$

Currently unavailable

65

Toro 27234

Gasket-Breather

Note: Indicates items included in gasket set part no. 33906.

$

$

Currently unavailable

66

Toro 32755

Cover-Valve
(Superseded to 740513)

$

$

Not available

67

Toro 650128

Screw

$

$

Currently unavailable

67A

Toro 33932

Terminal

$

$

Currently unavailable

68

Toro 30188

Gasket, Intake

Note: Indicates items included in gasket set part no. 33906.

$

$

Currently unavailable

69

Toro 33004

Pipe, Intake

$

$

Currently unavailable

70

Toro 650451

Screw (1/4-20 x 1)

$

$

Currently unavailable

71

Toro 31688

Gasket-Carburetor
(Superseded to 704627)

Note: Indicates items included in gasket set part no. 33906.

$

$

Not available

72

Toro 6202

DISCONTINUED
(Superseded to 83-3410)

$

$

Not available

73

Toro 29752

Nut and Lock Washer (1/4-28)

$

$

Currently unavailable

74

Toro 30705

Line-Fuel

$

$

Currently unavailable

75

Toro 26460

Clamp-Line, Fuel

$

$

Currently unavailable

76

Toro 29443

Clip-Wire

$

$

Currently unavailable

77

Toro 33086

Lever-Adjusting, R P M

$

$

Currently unavailable

78

Toro 33933

Terminal

$

$

Currently unavailable

79

Toro 29666

Screw

$

$

Currently unavailable

81

Toro 33133

Link Governor

$

$

Not available

82

Toro 33295

Link Governor Spring

$

$

Currently unavailable

83

Toro 31361

Spring Governor

$

$

Currently unavailable

85

Toro 33891

Housing, Blower

$

$

Currently unavailable

86

Toro 650497

Screw

$

$

Currently unavailable

87

Toro 650737

Screw (1/4-20 x 1/2)

$

$

Currently unavailable

87A

Toro 27793

Conduit

$

$

Currently unavailable

87B

Toro 28942

Screw (10-32 x 3/8)

$

$

Currently unavailable

87C

Toro 34099

Bracker

$

$

Currently unavailable

87D

Toro 27070

Washer

$

$

Currently unavailable

87E

Toro 650738

Screw (1/4-20 X 5/8)

$

$

Currently unavailable

88

Toro 30081

Gasket Exhaust

Note: Indicates items included in gasket set part no. 33906.

$

$

Currently unavailable

89

Toro 33893

Tube, Oil Filler

$

$

Currently unavailable

90

Toro 33894

Dipstick, OiI (Incl. No. 91)

$

$

Currently unavailable

91

Toro 33590

O-Ring
(Superseded to 700165)

$3.99

$

Usually ships in 3-6 days

0

92

Toro 33895

Body Air Cleaner

$

$

Currently unavailable

93

Toro 33896

Filer, Air

$

$

Currently unavailable

94

Toro 33897

Cove, Air Cleaner

$

$

Currently unavailable

95

Toro 650762

Screw Fil Hd.

$

$

Currently unavailable

96

Toro 650784

Screw, Hex Hd.

$

$

Currently unavailable

97

Toro 33051

Gasket-Air Cleaner

Note: Indicates items included in gasket set part no. 33906.

$

$

Currently unavailable

98

Toro 33904

Tank Fuel

$

$

Currently unavailable

99

Toro 28763

Screw (10-32 x 35/64)

$

$

Currently unavailable

100

Toro 610755

LEVER

$

$

Not available

101

Toro 631831

Carburetor

$

$

Currently unavailable

102

Toro 590519

Starter

$

$

Currently unavailable

103

Toro 33906

53024/VAR.16HP O/P

$3.49

$

Usually ships in 3-6 days

0