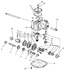
20486 (SR-21 OS) - Toro 21" Super Recycler Walk-Behind Mower (SN: 089000001 - 089999999) (1998) Parts & Diagrams Parts Lists & Diagrams

21" Super Recycler Walk-Behind Mower