20506 - Toro Walk-Behind Mower (SN: 006000001 - 006999999) (1976) Housing Assembly (model 20506 20696) Parts Diagram

Walk-Behind Mower

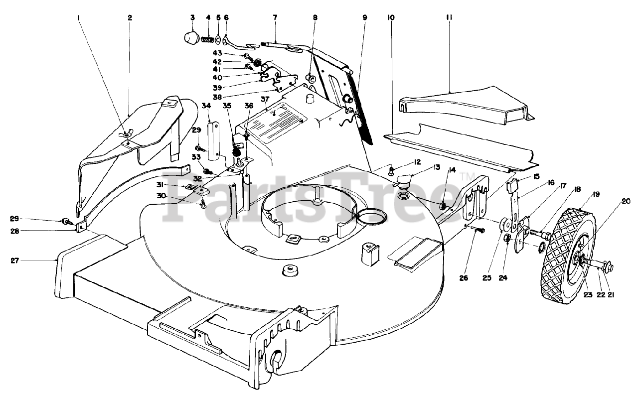
Housing Assembly (model 20506 20696) Parts Diagram

  • Title
1

Toro 32103-14

NUT-WING SPECL

$16.99

$

In Stock, only 1 left!

0

2

Toro 23-0180

DEFLECTOR

$169.99

$

Usually ships in 3-6 days

0

3

$36.99

$

Usually ships in 3-6 days

0

4

Toro 23-0920

COMPRESSION SPRING

$

$

Not available

5

Toro 23-1120

WASHER

$21.99

$

Usually ships in 3-6 days

0

6

Toro 23-0940

DOOR LATCH

$

$

Not available

7

Toro 23-0990

DISCONTINUED

$

$

Not available

8

Toro 23-0880

BUSHING-NYLON

$

$

Not available

9

Toro 23-0200

See Supercession: 33-4830
(Superseded to 33-4830)

$

$

Not available

10

Toro 23-0560

DISCONTINUED

$

$

Not available

11

Toro 23-0360

DISCONTINUED

$

$

Not available

12

Toro 32144-17

SCREW-HH

$6.99

$

Usually ships in 3-6 days

0

13

Toro 6-4500

WASHOUT PLUG

$

$

Not available

14

Toro 32146-5

See Supercession: 32153-3
(Superseded to 32153-3)

$6.99

$

Usually ships in 3-6 days

0

15

Toro 8-4220

See Supercession: 25-7740
(Superseded to 25-7740)

$5.49

$

In Stock, Qty 20+

0

16

Toro 23-0400

SPRING ARM ASM

$

$

Not available

17

Toro 24-7710

PIVOT ARM ASM A

$171.99

$

Usually ships in 3-6 days

0

Toro 23-9120

PIVOT ARM ASM

Note: Not illustrated

$

$

Not available

18

Toro 25-3440

PIVOT SCREW

$

$

Not available

19

Toro 26-2960

See Supercession: 11-1309
(Superseded to 11-1309)

$131.99

$

Usually ships in 3-6 days

0

20

Toro 251-180

BEARING-BALL
(Superseded to 116-7257)

$19.99

$

In Stock, only 1 left!

0

21

Toro 3290-393

SPRING WASHER

$

$

Not available

22

$

$

Not available

23

Toro 26-7500

DISCONTINUED

$

$

Not available

24

Toro 32146-12

See Supercession: 3296-6
(Superseded to 3296-6)

$1.99

$

In Stock, Qty 20+

0

25

Toro 5-4460

WASHER-PIVOT

$8.49

$

In Stock, Qty 20+

0

26

Toro 8-6160

DISCONTINUED

$

$

Not available

27

Toro 6-2809

Housing

$

$

Currently unavailable

28

Toro 23-0210

DISCONTINUED

$

$

Not available

29

Toro 12-3270

SCREW

$3.99

$

In Stock, only 3 left!

0

30

$1.99

$

Usually ships in 3-6 days

0

31

Toro 3290-380

DISCONTINUED

$

$

Not available

32

Toro 23-0150

DISCONTINUED

$

$

Not available

Toro 25-1010

See Supercession: 23-0150
(Superseded to 23-0150)

Note: Not illustrated

$

$

Not available

33

Toro 32104-114

SCREW THD 1/4 20 5/8

$

$

Not available

34

Toro 23-0140

DISCONTINUED

$

$

Not available

35

Toro 12-4930

DISCONTINUED

$

$

Not available

36

Toro 32144-12

DISCONTINUED

$

$

Not available

37

Toro 23-1280

Decal-Caution

$

$

Currently unavailable

38

Toro 23-1040

DOOR LATCH PLATE

$

$

Not available

39

Toro 23-1190

See Supercession: 42-4010
(Superseded to 42-4010)

$

$

Not available

40

Toro 23-1200

DISCONTINUED

$

$

Not available

41

Toro 32104-17

SCREW-HWH

$1.49

$

In Stock, only 4 left!

0

42

Toro 23-1180

DISCONTINUED

$

$

Not available

43

Toro 11-9760

See Supercession: 49-2040
(Superseded to 49-2040)

$2.49

$

In Stock, Qty 20+

0

Toro 26-9510

DISCONTINUED

Note: Not illustrated

$

$

Not available