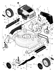
20608x199B - Briggs & Stratton 20" Walk-Behind Mower (2000) (AAFES) Parts & Diagrams Parts Lists & Diagrams

20" Walk-Behind Mower

20608x199B - Briggs & Stratton 20" Walk-Behind Mower (2000) (AAFES) > Parts Diagrams (3)