20622 - Toro Walk-Behind Mower (SN: 008000001 - 008999999) (1988) Engine Assembly Parts Diagram

Walk-Behind Mower

Engine Assembly Parts Diagram

  • Title
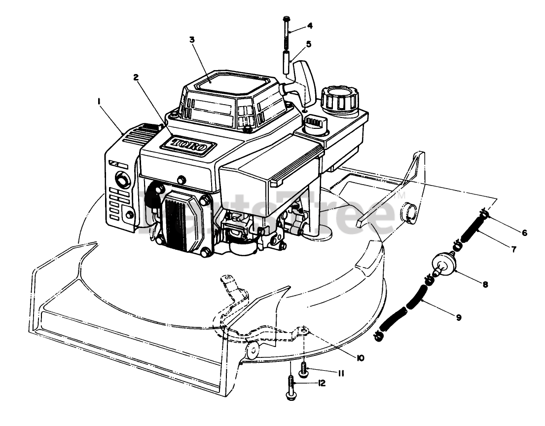
1

Toro 62-5445

See Supercession: 72-4141
(Superseded to 72-4141)

$

$

Not available

2

Toro 46-8290

See Supercession: 98-3206
(Superseded to 98-3206)

$2.49

$

In Stock, only 2 left!

0

3

Toro 55-8070

DECAL - RECOIL GTS

$

$

Not available

4

Toro 56-6610

THRD FORMING SCREW

$5.49

$

Usually ships in 3-6 days

0

5

Toro 57-3830

TUBULAR SPACER

$6.49

$

Usually ships in 3-6 days

0

6

Toro 2412-95

CLAMP-FUEL LINE

$1.99

$

In Stock, Qty 6

0

7

Toro 51-3211

HOSE-FUEL

$7.99

$

In Stock, only 2 left!

0

8

Toro 56-6360

FILTER-FUEL

$6.99

$

In Stock, only 4 left!

0

9

Toro 51-3214

HOSE-FUEL

$5.99

$

Usually ships in 3-6 days

0

10

Toro 62-3780

DISCONTINUED

$

$

Not available

11

Toro 49-2040

SCREW-HWHTF

$2.49

$

In Stock, Qty 20+

0

12

Toro 11-0590

See Supercession: 32144-102
(Superseded to 32144-102)

$3.99

$

In Stock, Qty 5

0

Toro 56-6680

See Supercession: 75-9850
(Superseded to 75-9850)

$

$

Not available