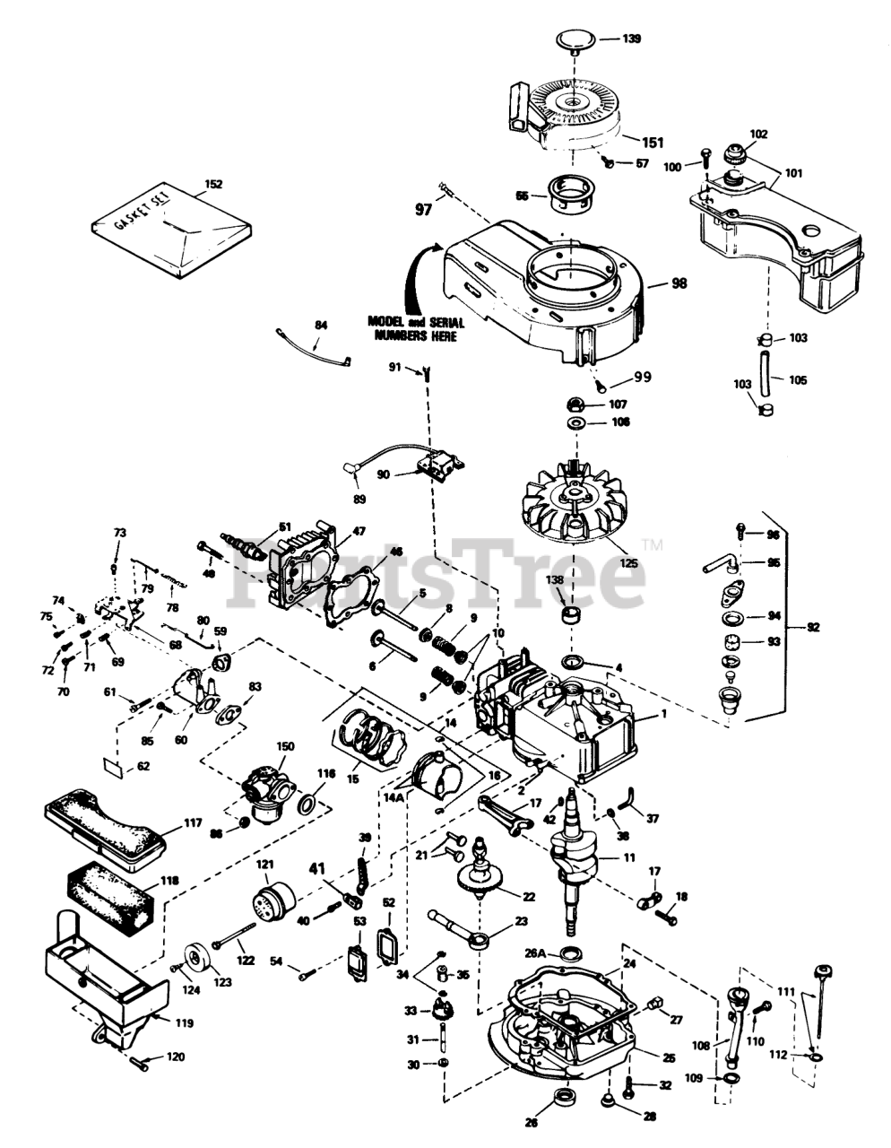
20695 - Toro Walk-Behind Mower (SN: 007000001 - 007999999) (1987) ENGINE TECUMSEH MODEL NO. TVS100-44013A Parts Diagram

Walk-Behind Mower

ENGINE TECUMSEH MODEL NO. TVS100-44013A Parts Diagram

  • Title
1

Tecumseh 35010

Cylinder Assembly (Incl. Ref. #2 & 4)
(Superseded to 36479A)

$

$

Not available

2

Tecumseh 26727

Pin-Dowel

$1.99

$

In Stock, Qty 5

0

4

Tecumseh 32600

Seal-Oil

$

$

Not available

5

Tecumseh 29314B

Valve-Intake (Std.) (Incl. Ref. #10)
(Superseded to 29314C)

$5.99

$

In Stock, Qty 7

0

5

Tecumseh 29315C

Valve-Intake (1/32" oversize) (Incl. Ref. #10)

$

$

Not available

6

Tecumseh 29313C

Valve-Exhaust (Std.) (Incl. Ref. #10)

$

$

Not available

6

Tecumseh 29315C

Valve-Exhaust (1/32" oversize) (Incl. Ref. #10)

$

$

Not available

8

Tecumseh 35390

Seal Assy., Intake

$

$

Not available

9

Tecumseh 31672

Spring-Valve

$1.99

$

In Stock, only 3 left!

0

10

Tecumseh 31673

Cap-Valve, Spring

$1.99

$

In Stock, Qty 20+

0

11

Tecumseh 35483

Crankshaft

$104.99

$

Usually ships in 3-12 days

0

14

Tecumseh 34851

Piston-Pin & Ring Assy. (Std.) (Incl. Ref. #14A, 15 & 16)
(Superseded to 35544A)

$60.99

$

Usually ships in 3-12 days

0

14

Tecumseh 34852

Piston-Pin & Ring Assembly (.010 oversize) (Incl. Ref. #14A, 15 & 16)
(Superseded to 35545A)

$

$

Not available

14

Tecumseh 34853

Piston-Pin & Ring Assembly (.020 oversize) (Incl. Ref. #14A, 15 & 16)
(Superseded to 35546)

$

$

Not available

14A

Tecumseh 32603B

Piston & Pin Assembly (Std.) (Incl. Ref. #16)
(Superseded to 35544A)

$60.99

$

Usually ships in 3-12 days

0

14A

Tecumseh 32604B

Piston & Pin Assembly (.010 oversize) (Incl. Ref. #16)
(Superseded to 35545A)

$

$

Not available

14A

Tecumseh 32605B

Piston & Pin Assembly (.020 oversize) (Incl. Ref. #16)
(Superseded to 35546)

$

$

Not available

15

Tecumseh 34854

Ring Set (Std.)

$

$

Not available

15

Tecumseh 34855

Ring Set (.020" OS)

$

$

Not available

15

Tecumseh 34856

Ring Set (.010" OS)

$

$

Not available

16

Tecumseh 20381

Ring-Retaining, Piston Pin

$1.99

$

Usually ships in 3-12 days

0

17

Tecumseh 30963B

Rod Assembly-Connecting (Incl. Ref. #18)

$29.99

$

In Stock, only 2 left!

0

18

Tecumseh 32610A

Bolt-Rod, Connecting

$1.99

$

In Stock, only 4 left!

0

21

Tecumseh 27241

Lifter-Valve

$5.49

$

In Stock, Qty 6

0

22

Tecumseh 33553

Camshaft(Mech.Comp. Release)
(Superseded to 35992)

$72.99

$

Usually ships in 3-12 days

0

23

Tecumseh 29914

Oil Pump ASM

$9.49

$

Usually ships in 3-12 days

0

24

Tecumseh 35261

Gasket
(Superseded to 37609)

Note: Indicates parts included in Gasket Set, Ref. Num 152.

$2.99

$

Usually ships in 3-12 days

0

25

Tecumseh 34311B

Flange Assembly-Mounting (Incl. Ref. #26, 27, 28 & 31)
(Superseded to 37608A)

$77.99

$

In Stock, only 2 left!

0

26

Tecumseh 27897

Seal-Oil

$8.49

$

In Stock, Qty 10

0

26A

Tecumseh 32323

Washer-Thrust

$8.49

$

In Stock, only 2 left!

0

27

Tecumseh 9556

Plug-Pipe
(Superseded to 28534)

$1.99

$

In Stock, only 4 left!

0

28

Tecumseh 27244

Plug Oil Drain
(Superseded to 36083)

$6.99

$

In Stock, only 3 left!

0

30

Tecumseh 30590A

Washer-Flat

$1.99

$

In Stock, Qty 8

0

31

Tecumseh 30574

Shaft-Governor
(Superseded to 30574A)

$7.49

$

Usually ships in 3-12 days

0

32

Tecumseh 650488

Screw (1/4-20 x 1-1/4)

$1.99

$

Usually ships in 3-12 days

0

33

Tecumseh 30591

Gear Assembly-Governor (Incl. Ref. #30)

$13.99

$

In Stock, only 1 left!

0

34

Tecumseh 29193

Ring-Retaining

$1.99

$

In Stock, Qty 15

0

35

Tecumseh 30588A

Spool-Governor

$1.99

$

In Stock, Qty 10

0

37

Tecumseh 30589

Rod-Governor (Incl. Ref. #38)

$5.49

$

In Stock, only 2 left!

0

38

Tecumseh 28277

Washer-Flat

$1.99

$

In Stock, only 2 left!

0

39

Tecumseh 31383A

Governor Lever

$1.99

$

In Stock, Qty 5

0

40

Tecumseh 650548

Screw
(Superseded to 651018)

$1.99

$

In Stock, only 2 left!

0

41

Tecumseh 31335

Clamp-Lever, Governor

$1.99

$

In Stock, Qty 5

0

42

Tecumseh 611004

Key-Flywheel

$1.49

$

In Stock, Qty 14

0

46

Tecumseh 33015

63573 GIL 42 SNWTHW
(Superseded to 33015A)

Note: Indicates parts included in Gasket Set, Ref. Num 152.

$11.99

$

In Stock, only 2 left!

0

47

Tecumseh 34342

Head-Cylinder
(Superseded to 36476)

$32.99

$

Usually ships in 3-12 days

0

48

Tecumseh 6021A

Screw (5/16-18x1-1/2)

$1.99

$

In Stock, Qty 17

0

51

Tecumseh 35078

Plug, Spark (Autolite 458, Champion J-19LM or equiv.)
(Superseded to 35395)

$3.99

$

In Stock, Qty 20+

0

52

Tecumseh 27234

Gasket-Breather
(Superseded to 27234A)

Note: Indicates parts included in Gasket Set, Ref. Num 152.

$5.99

$

In Stock, only 2 left!

0

53

Tecumseh 32755

Cover-Valve

$5.49

$

Usually ships in 3-12 days

0

54

$5.49

$

In Stock, Qty 12

0

55

Tecumseh 35000

Hub-Starter
(Superseded to 35000A)

$9.49

$

In Stock, only 2 left!

0

57

Tecumseh 650884

Screw, Hex Hd.
(Superseded to 650926)

$1.49

$

In Stock, Qty 20+

0

59

Tecumseh 34690

Gasket-Intake
(Superseded to 34690A)

Note: Indicates parts included in Gasket Set, Ref. Num 152.

$4.49

$

In Stock, only 3 left!

0

60

Tecumseh 31384A

Pipe-Intake (Incl. Ref. #59)

$21.99

$

In Stock, only 2 left!

0

61

Tecumseh 650451

Screw (1/4-20 x 1)

$1.99

$

In Stock, Qty 20+

0

62

Tecumseh 34144

Decal-Primer

$

$

Not available

68

Tecumseh 33131

A Control Assy.-Remote Speed (Incl. Ref. #69 thru 72)
(Superseded to 33131A)

$33.99

$

Usually ships in 3-12 days

0

69

Tecumseh 33802

61709/GIL1515A/95-5
(Superseded to 36482)

$3.99

$

Usually ships in 3-12 days

0

70

Tecumseh 650777

Screw
(Superseded to 651019)

$1.99

$

In Stock, Qty 5

0

71

Tecumseh 31342

Spring-Compression

$5.99

$

In Stock, only 4 left!

0

72

Tecumseh 650549

Screw
(Superseded to 651029)

$1.99

$

In Stock, Qty 8

0

73

Tecumseh 30200

Screw (10-24 x 9/16)

$1.49

$

In Stock, Qty 20+

0

74

Tecumseh 27793

Conduit

$1.99

$

In Stock, Qty 5

0

75

Tecumseh 28942

Screw (10-32 x 3/8)

$1.49

$

In Stock, Qty 18

0

78

Tecumseh 31361

Spring Governor

$1.99

$

In Stock, Qty 14

0

79

Tecumseh 34337

2035A67 ADD.ASSEMBL

$1.99

$

In Stock, Qty 7

0

80

Tecumseh 34336

Link-Throttle
(Superseded to 34336A)

$1.99

$

In Stock, Qty 20+

0

83

Tecumseh 26756

Gasket

Note: Indicates parts included in Gasket Set, Ref. Num 152.

$2.99

$

In Stock, Qty 20+

0

84

Tecumseh 34231

Wire-Ground

$3.99

$

In Stock, only 1 left!

0

85

Tecumseh 6201

Screw (1/4-28 x 7/8)

$

$

Not available

86

Tecumseh 29752

Nut and Lock Washer (1/4-28)

$1.99

$

In Stock, Qty 8

0

89

Tecumseh 610118

Cover-Spark Plug

$6.49

$

In Stock, only 2 left!

0

90

Tecumseh 34443A

Solid State
(Superseded to 34443D)

$44.99

$

In Stock, Qty 5

0

91

Tecumseh 650814

Screw
(Superseded to 651007)

$1.99

$

In Stock, Qty 16

0

92

Tecumseh 34214A

Breather Assembly (Incl. Ref. #93 thru 96)
(Superseded to 34214B)

$

$

Not available

93

Tecumseh 33734

Element-Breather

$1.99

$

In Stock, Qty 20+

0

94

Tecumseh 33735

Gasket-Breather

Note: Indicates parts included in Gasket Set, Ref. Num 152.

$1.99

$

In Stock, only 1 left!

0

95

Tecumseh 33886

Tube, Breaker

$

$

Not available

96

Tecumseh 30200

Screw (10-24 x 9/16)

$1.49

$

In Stock, Qty 20+

0

97

Tecumseh 30200

Screw (10-24 x 9/16)

$1.49

$

In Stock, Qty 20+

0

98

Tecumseh 35484

Housing-Blower

$

$

Not available

99

Tecumseh 650831

Screw (1/4-20 x 1/2)

$1.99

$

In Stock, only 4 left!

0

100

Tecumseh 28763

Screw (10-32 x 35/64)

$1.99

$

In Stock, Qty 6

0

101

Tecumseh 34476

Tank Assembly-Fuel (Incl. Ref. #102)
(Superseded to 34476A)

$

$

Not available

102

Tecumseh 33032

Cap-Fuel

$7.49

$

In Stock, only 1 left!

0

103

Tecumseh 26460

Clamp-Line, Fuel

$1.49

$

In Stock, Qty 7

0

105

Tecumseh 30705

Line-Fuel

$16.99

$

In Stock, Qty 12

0

106

Tecumseh 650815

Washer-Belleville

$1.99

$

In Stock, only 3 left!

0

107

Tecumseh 650816

Nut-Flywheel

$4.49

$

In Stock, only 4 left!

0

108

Tecumseh 34264

Tube-Oil Fill

$9.49

$

In Stock, only 2 left!

0

109

$2.49

$

In Stock, Qty 7

0

110

Tecumseh 650562

Screw (10-32 x 1/2)

$1.99

$

In Stock, only 2 left!

0

111

Tecumseh 34267

Dipstick-Oil (Incl. Ref. #112)

$11.99

$

In Stock, only 2 left!

0

112

$1.99

$

In Stock, only 4 left!

0

116

Tecumseh 34338

Gasket-Cleaner, Air

Note: Indicates parts included in Gasket Set, Ref. Num 152.

$1.99

$

In Stock, only 2 left!

0

117

Tecumseh 34341

Cover Air Cleaner
(Superseded to 34341B)

$5.49

$

In Stock, only 2 left!

0

118

Tecumseh 34340

Filter-Air Cleaner

$4.99

$

In Stock, only 3 left!

0

119

Tecumseh 34858

Body Air cleaner

$9.49

$

Usually ships in 3-12 days

0

120

$1.99

$

In Stock, only 1 left!

0

121

Tecumseh 27181B

Muffler (Incl. Ref. #122)
(Superseded to 27181C)

$10.99

$

In Stock, only 2 left!

0

122

$1.99

$

In Stock, only 2 left!

0

123

Tecumseh 32431

Cover-Muffler

$5.49

$

Usually ships in 3-12 days

0

124

Tecumseh 650760

Screw (8-32 x 3/8)

$1.99

$

In Stock, Qty 5

0

125

Tecumseh 611046A

Flywheel

$94.99

$

Usually ships in 3-12 days

0

138

$1.99

$

In Stock, Qty 7

0

139

Tecumseh 35392

Plug Starter

$1.99

$

In Stock, only 2 left!

0

150

Tecumseh 632098

Carburetor (Inc. Ref. #83)
(Superseded to 632795A)

$109.99

$

In Stock, Qty 8

0

151

Tecumseh 590635

Starter-Rewind
(Superseded to 590732A)

$62.99

$

In Stock, only 2 left!

0

152

Tecumseh 33238C

Gasket Set (Incl. Items Marked )
(Superseded to 33238E)

Note: Indicates parts included in Gasket Set, Ref. Num 152.

$50.99

$

Usually ships in 3-12 days

0