20700 - Toro Walk-Behind Mower (SN: 009000001 - 009999999) (1979) REWIND STARTER NO. 590531 Parts Diagram

Walk-Behind Mower

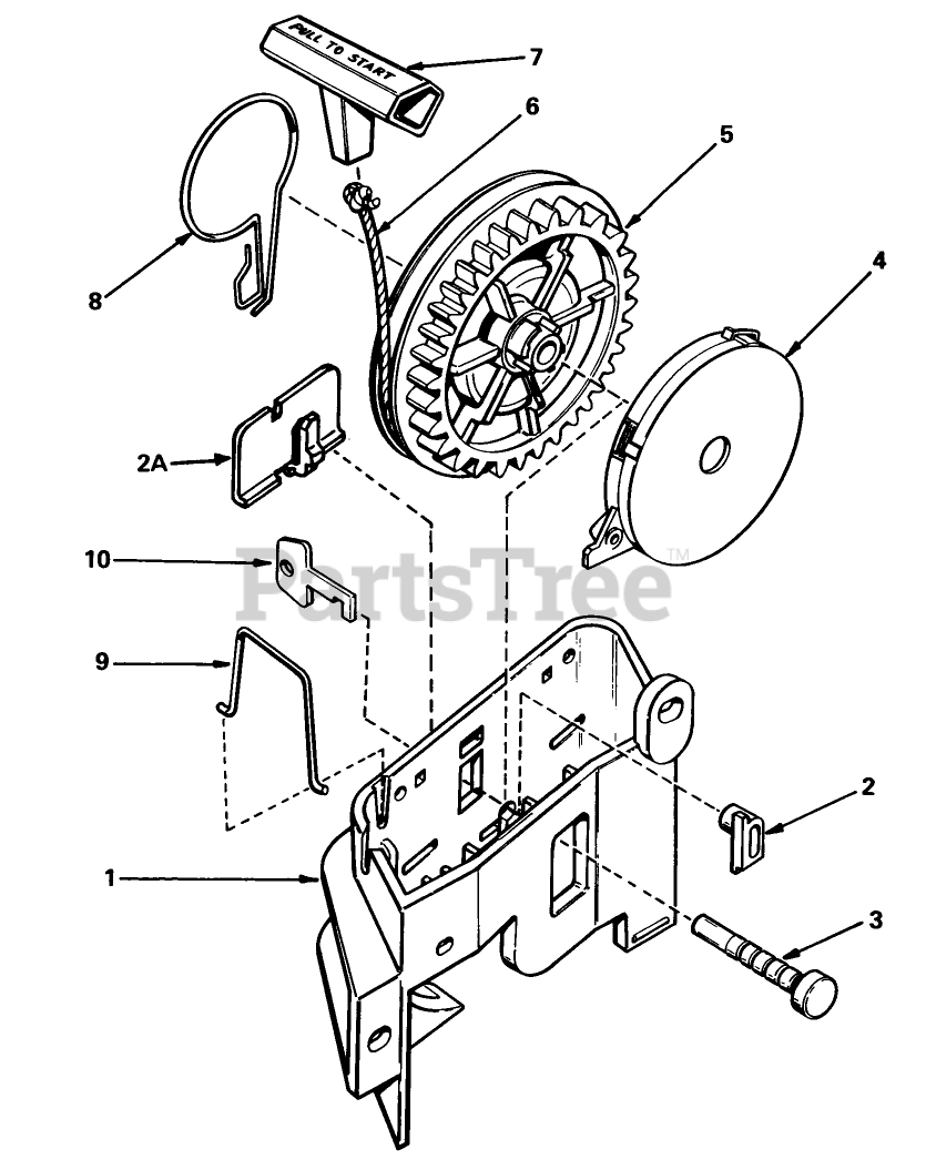
REWIND STARTER NO. 590531 Parts Diagram

  • Title
1

Briggs & Stratton 590523

Bracket Starter

$43.99

$

In Stock, only 2 left!

0

2

Briggs & Stratton 590524

Pawl, Locking Not used on all engine models)
(Superseded to 592968)

$5.99

$

In Stock, Qty 10

0

2A

Briggs & Stratton 590538

Clip, Starter Bracket (Used On Starters Not Equipped With Pawl, Ref. No. 2)

$129.99

$

In Stock, only 4 left!

0

3

Briggs & Stratton 590525

Pin-Pulley
(Superseded to 595351)

$128.99

$

Usually ships in 2-12 days

0

4

Briggs & Stratton 590526

Spring Assy., Rewind (Incl. #3)

$11.99

$

Usually ships in 2-12 days

0

5

Briggs & Stratton 590522

Pulley
(Superseded to 596501)

$8.99

$

In Stock, only 2 left!

0

6

Briggs & Stratton 590527

Rope Starter (Length 65" & 9/64" Dia.)

$10.99

$

Usually ships in 2-12 days

0

7

Briggs & Stratton 590452

Handle-Starter

$16.99

$

Usually ships in 2-12 days

0

$5.99

$

In Stock, only 1 left!

0

$18.99

$

Usually ships in 2-12 days

0

10

Briggs & Stratton 590530

Key (Not Used On All Engine Models

$31.99

$

Usually ships in 2-12 days

0