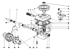
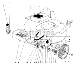
20725 - Toro Walk-Behind Mower (SN: 000000001 - 000999999) (1980) Parts & Diagrams Parts Lists & Diagrams

Walk-Behind Mower