20755 - Toro Walk-Behind Mower (SN: 001000001 - 001999999) (1981) Front Wheel Pivot Arm Assembly Parts Diagram

Walk-Behind Mower

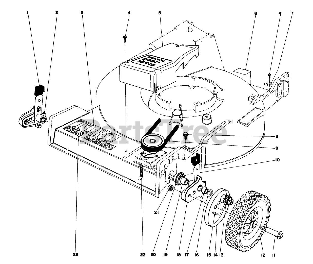
Front Wheel Pivot Arm Assembly Parts Diagram

  • Title
1

Toro 25-7740

KNOB-ARM

$5.49

$

In Stock, Qty 20+

0

2

Toro 302-18

FITTING-GREASE

$4.49

$

Usually ships in 3-6 days

0

3

Toro 20-4690

TORO LOGO DECAL

$7.99

$

Usually ships in 3-6 days

0

4

Toro 12-5450

SCREW

$10.99

$

Usually ships in 3-6 days

0

5

Toro 42-4220

DISCONTINUED

$

$

Not available

6

Toro 3311-294

Greasing Sticker

$

$

Currently unavailable

7

Toro 2412-52

CLAMP-NYLON

$

$

Not available

8

Toro 32144-11

SCREW-THD ROLL, HWH

$8.49

$

In Stock, only 2 left!

0

9

Toro 5-4505

BELT-V

$24.99

$

In Stock, only 1 left!

0

10

Toro 42-2420

See Supercession: 44-1030
(Superseded to 44-1030)

$

$

Not available

11

Toro 27-6230

BOLT-WHEEL

$8.99

$

In Stock, only 2 left!

0

12

Toro 36-7790

See Supercession: 11-1419
(Superseded to 11-1419)

$

$

Not available

13

Toro 42-2400

DISCONTINUED
(Superseded to 99-5252)

$

$

Not available

14

Toro 36-5630

See Supercession: 36-5630-03
(Superseded to 36-5630-03)

$

$

Not available

15

Toro 32121-98

See Supercession: 32121-88
(Superseded to 32121-88)

$8.99

$

In Stock, only 1 left!

0

16

Toro 18-9810

WASHER-THRUST

$9.99

$

In Stock, only 2 left!

0

17

Toro 256-263

See Supercession: 47-2900
(Superseded to 47-2900)

$6.99

$

In Stock, Qty 20+

0

18

Toro 42-3510

PIVOT ARM ASM

$

$

Not available

19

Toro 256-110

Bushing
(Superseded to 47-2890)

$3.99

$

Usually ships in 3-6 days

0

20

Toro 36-9040

END CAP

$11.99

$

In Stock, only 1 left!

0

21

Toro 32146-6

See Supercession: 3296-6
(Superseded to 3296-6)

$1.99

$

In Stock, Qty 20+

0

22

Toro 17-4490

TENSION SPRING

$

$

Not available

23

Toro 33-2320

DISCONTINUED

$

$

Not available