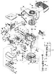
20758 - Toro Walk-Behind Mower (SN: 003000001 - 003999999) (1983) Parts & Diagrams Parts Lists & Diagrams

Walk-Behind Mower