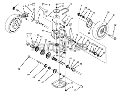
20766 BC - Toro 53cm Recycler Walk-Behind Mower (SN: 049000001 - 049999999) (1994) Parts & Diagrams Parts Lists & Diagrams

53cm Recycler Walk-Behind Mower