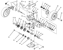
20766 BC - Toro 53cm Recycler Walk-Behind Mower (SN: 059000001 - 059999999) (1995) Parts & Diagrams Parts Lists & Diagrams

53cm Recycler Walk-Behind Mower