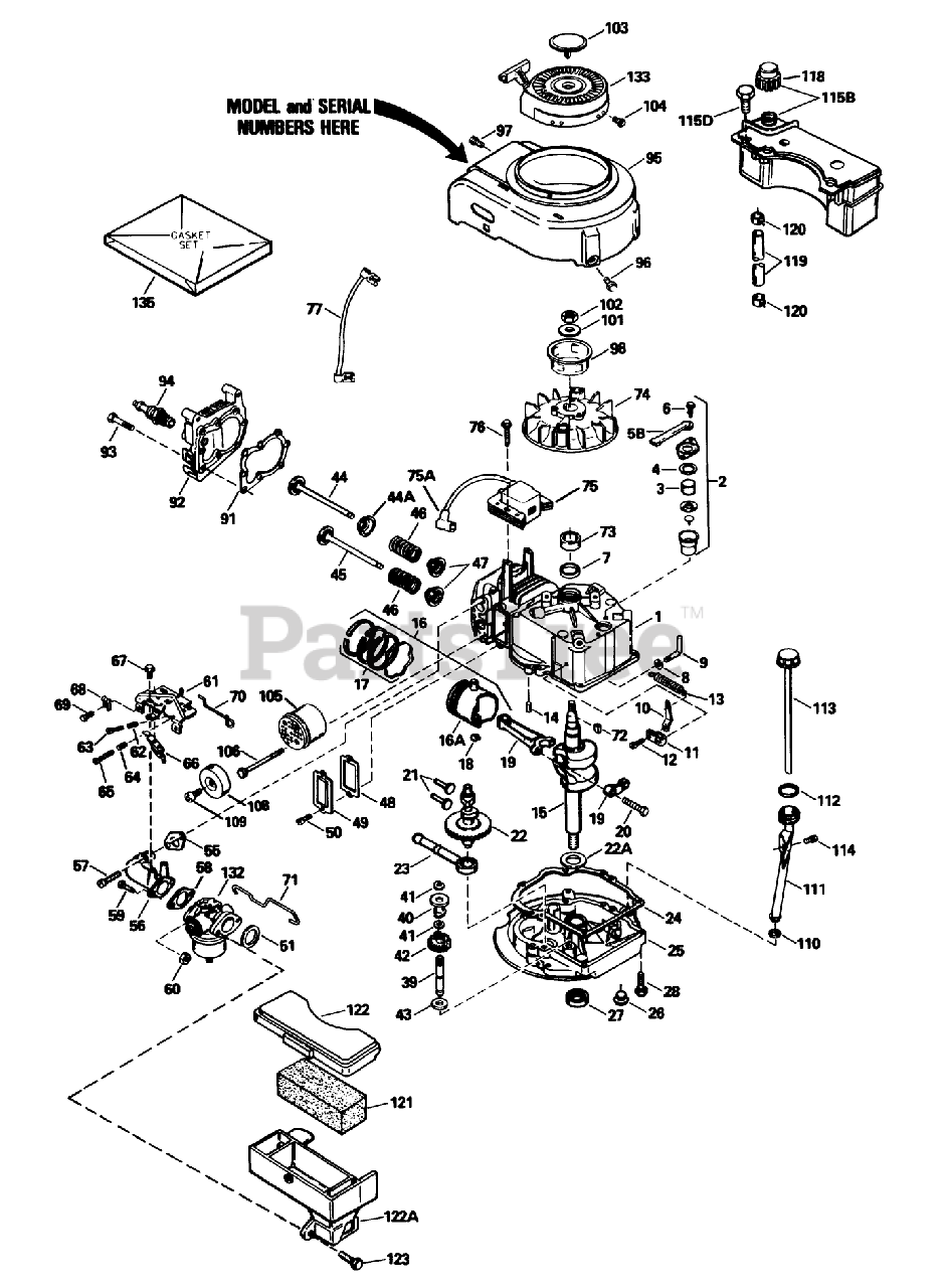
20780 C - Toro Walk-Behind Mower (SN: 009000001 - 009999999) (1989) Engine Tecumseh Model No. Tvs100-44018b Parts Diagram

Walk-Behind Mower

Engine Tecumseh Model No. Tvs100-44018b Parts Diagram

  • Title
1

Toro 35010

Cylinder Assy. (Incl. #24)

$

$

Currently unavailable

2

Toro 34214A

Breather Assy. (Incl. Ref. #46 thru 51)

$

$

Currently unavailable

3

Toro 33734

Element-Breather

$

$

Currently unavailable

4

Toro 33735

Gasket-Breather

$

$

Currently unavailable

5B

Toro 33886

Tube, Breaker

$

$

Currently unavailable

6

Toro 30200

Screw (10-24 x 9/16)

$

$

Currently unavailable

7

Toro 32600

Seal-Oil

$

$

Currently unavailable

8

Toro 28277

Washer-Flat

$

$

Currently unavailable

9

Toro 30589

Rod, Governor (Incl. No. 36)

$

$

Currently unavailable

10

Toro 31383A

Governor Lever

$

$

Currently unavailable

11

Toro 31335

Clamp-Lever, Governor

$

$

Currently unavailable

12

Toro 650548

Screw

$

$

Currently unavailable

13

Toro 31361

Spring Governor

$

$

Currently unavailable

14

Toro 26727

Pin-Dowel

$

$

Currently unavailable

15

Toro 35482

Crankshaft

$

$

Currently unavailable

16

Toro 35544

Piston-Pin Ring Assy. (Std.)(Incl. Ref. #16A, 17 18)
(Superseded to 704768)

$

$

Not available

16

Toro 35545

Piston-Pin Ring Assembly (.010 oversize)(Incl. Ref. #16A, 17 18)
(Superseded to 704769)

$

$

Not available

16

Toro 35546

Piston, Pin Ring Assy. (.020 Oversize)(Incl. Ref. #13A, 14, 15)

$

$

Not available

16A

Toro 35541

Piston Pin Assy. (Std.)(Incl. Ref. #14)

$

$

Currently unavailable

16A

Toro 35542

Piston Pin Assembly (.010 oversize)(Incl. Ref. #18)

$

$

Currently unavailable

16A

Toro 35543

Piston Pin Assy. (.020 Oversize) (Incl. Ref. #14)
(Superseded to 704767)

$

$

Not available

17

Toro 35547

Ring Set-Piston (Std.)

$

$

Not available

17

Toro 35548

Ring Set, Piston(.0100versize)

$

$

Currently unavailable

17

Toro 35549

Ring Set (.020" OS)

$

$

Currently unavailable

18

Toro 20381

Ring-Retaining, Piston Pin

$

$

Currently unavailable

19

Toro 30963B

Rod Assy., Connecting (Incl. Ref. #17)

$

$

Currently unavailable

20

Toro 32610A

Bolt-Rod, Connecting

$

$

Currently unavailable

21

Toro 27241

Lifter-Valve

$

$

Currently unavailable

22

Toro 33553

Camshaft(Mech.Comp. Release)

$

$

Currently unavailable

22A

Toro 32323

Washer-Thrust

$

$

Currently unavailable

23

Toro 29914

Oil Pump ASM

$

$

Currently unavailable

24

Toro 35261

Gasket

$

$

Currently unavailable

25

Toro 34311B

Flange-Mounting (Incl. Ref. #26, 27 39)

$

$

Currently unavailable

26

Toro 27244

Plug Oil Drain

$

$

Currently unavailable

27

Toro 27897

Seal-Oil

$

$

Currently unavailable

28

Toro 650488

Screw (1/4-20 x 1-1/4)

$

$

Currently unavailable

39

Toro 30574

Shaft-Governor

$

$

Currently unavailable

40

Toro 30588A

Spool-Governor

$

$

Currently unavailable

41

Toro 29193

Ring-Retaining

$

$

Currently unavailable

42

Toro 30591

Governor Gear ASM

$

$

Currently unavailable

43

Toro 35479

Washer
(Superseded to 704759)

$

$

Not available

44

Toro 29314B

Valve, Intake (Std.) (Incl. Ref. #40)

$

$

Currently unavailable

44

Toro 29315C

Valve, Intake (1/32" oversize)(Incl. No. 40)

$

$

Currently unavailable

44

Toro 35390

Seal Assy., Intake

$

$

Currently unavailable

45

Toro 29313C

Valve, Exhaust (Std.)(Incl. No. 40)

$

$

Currently unavailable

45

Toro 29315C

Valve, Intake (1/32" oversize)(Incl. No. 40)

$

$

Currently unavailable

46

Toro 31672

Spring-Valve

$

$

Currently unavailable

47

Toro 31673

Cap-Valve, Spring
(Superseded to 742357)

$

$

Not available

48

Toro 27234A

Gasket-Cover, Valve

$

$

Currently unavailable

49

Toro 32755

Cover-Valve
(Superseded to 740513)

$

$

Not available

50

Toro 650128

Screw

$

$

Currently unavailable

51

Toro 34338

Gasket-Cleaner, Air

$

$

Currently unavailable

55

Toro 34690A

Gasket-Intake Pipe

$

$

Currently unavailable

56

Toro 31384A

Pipe-Intake (Incl. Ref. #59)

$

$

Currently unavailable

57

Toro 650451

Screw (1/4-20 x 1)

$

$

Currently unavailable

58

Toro 26756

Gasket

$

$

Currently unavailable

59

Toro 6201

See Supercession: 111-1250
(Superseded to 111-1250)

$

$

Not available

60

Toro 29752

Nut and Lock Washer (1/4-28)

$

$

Currently unavailable

61

Toro 33131A

Control Assy.-Remote Speed (Incl. Ref. #69 thru 72 76)

$

$

Currently unavailable

62

Toro 33802

61709/GIL1515A/95-5

$3.49

$

Usually ships in 3-6 days

0

63

Toro 650777

Screw

$

$

Currently unavailable

64

Toro 31342

Spring-Compression

$

$

Currently unavailable

65

Toro 650549

Screw

$

$

Currently unavailable

66

Toro 610973

Terminal

$

$

Currently unavailable

67

Toro 30200

Screw (10-24 x 9/16)

$

$

Currently unavailable

68

Toro 27793

Conduit

$

$

Currently unavailable

69

Toro 28942

Screw (10-32 x 3/8)

$

$

Currently unavailable

70

Toro 34337

2035A67 ADD.ASSEMBL

$3.23

$

Usually ships in 3-6 days

0

71

Toro 34336

Link-Throttle

$

$

Currently unavailable

72

Toro 611004

Key-Flywheel

$

$

Not available

73

Toro 34080

Spacer

$

$

Currently unavailable

74

Toro 611112

Flywheel
(Superseded to 611113)

$

$

Not available

75

Toro 34443A

Solid State

$

$

Currently unavailable

75A

Toro 610118

Cover-Spark Plug

$

$

Currently unavailable

76

Toro 650814

Screw

$

$

Currently unavailable

77

Toro 34231

Wire-Ground

$

$

Currently unavailable

91

Toro 33015A

Gasket-Cylinder Head

$

$

Currently unavailable

92

Toro 34342

Head-Cylinder

$

$

Currently unavailable

93

Toro 6021A

Screw (5/16-18x1-1/2)

$

$

Currently unavailable

94

Toro 35395

Spark Plug-Resistor (R J19 L M)

$

$

Currently unavailable

95

Toro 35484

Housing-Blower

$

$

Currently unavailable

96

Toro 650831

Screw (1/4-20 x 1/2)

$

$

Currently unavailable

97

Toro 30200

Screw (10-24 x 9/16)

$

$

Currently unavailable

98

Toro 35000

Hub-Starter

$

$

Currently unavailable

101

Toro 650815

Washer-Belleville

$

$

Currently unavailable

102

Toro 650816

Nut-Flywheel

$

$

Currently unavailable

103

Toro 35392

Plug Starter

$

$

Currently unavailable

104

Toro 650884

Screw, Hex Hd.

$

$

Currently unavailable

105

Toro 27181B

Muffler (Incl. Ref. #122)

$

$

Currently unavailable

106

Toro 650795

Screw

$

$

Currently unavailable

108

Toro 32431

Cover-Muffler

$

$

Currently unavailable

109

Toro 650760

Screw (8-32 x 3/8)

$

$

Currently unavailable

110

Toro 34265

Gasket

$

$

Currently unavailable

111

Toro 35577

Oil Fill Tube
(Superseded to 742451)

$327.99

$

Usually ships in 3-6 days

0

112

Toro 35499

O-Ring

$

$

Currently unavailable

113

Toro 35578

Dipstick
(Superseded to 742452)

$

$

Not available

114

Toro 650562

Screw (10-32 x 1/2)

$

$

Currently unavailable

115B

Toro 34476

Tank Assembly-Fuel (Incl. Ref. #102)

$

$

Currently unavailable

115D

Toro 28763

Screw (10-32 x 35/64)

$

$

Currently unavailable

118

Toro 33032

Cap-Fuel
(Superseded to 702818)

$

$

Not available

119

Toro 30705

Line-Fuel

$

$

Currently unavailable

120

Toro 26460

Clamp-Line, Fuel

$

$

Currently unavailable

121

Toro 34340

Filter-Air Cleaner

$

$

Currently unavailable

122

Toro 34341A

Cover-Air Cleaner

$

$

Currently unavailable

122A

Toro 34858

Body Air cleaner

$

$

Currently unavailable

123

Toro 650806

Screw

$

$

Currently unavailable

132

Toro 632098

Carburetor (Incl. Ref. #83)

$

$

Currently unavailable

133

Toro 590635

Starter-Rewind

$

$

Currently unavailable

135

Toro 33238D

Gasket Set (Incl. Items Marked *)

$

$

Currently unavailable