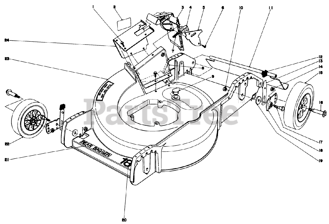
20788 - Toro Walk-Behind Mower (SN: 009000001 - 009999999) (1979) Housing Assembly Parts Diagram

Walk-Behind Mower

Housing Assembly Parts Diagram

  • Title
1

Toro 12-3270

SCREW

$3.99

$

In Stock, only 3 left!

0

2

Toro 39-2990

DISCONTINUED

$

$

Not available

3

Toro 33-0410

See Supercession: 33-0412
(Superseded to 33-0412)

$

$

Not available

4

Toro 33-0470

See Supercession: 47-5551
(Superseded to 47-5551)

$

$

Not available

5

Toro 33-0440

See Supercession: 33-0441
(Superseded to 33-0441)

$

$

Not available

6

$2.99

$

Usually ships in 3-6 days

0

7

Toro 33-0450

SPRING-COMPRESSION, LATCH

$

$

Not available

8

Toro 33-0430

DISCONTINUED

$

$

Not available

9

Toro 6-4500

WASHOUT PLUG

$

$

Not available

10

Toro 32146-5

See Supercession: 32153-3
(Superseded to 32153-3)

$6.99

$

Usually ships in 3-6 days

0

11

Toro 33-2380

SHIELD - TRAILING

$76.99

$

Usually ships in 3-6 days

0

12

Toro 25-7740

KNOB-ARM

$5.49

$

In Stock, Qty 20+

0

13

Toro 25-7890

SPRING ARM ASM

$

$

Not available

14

Toro 32146-6

See Supercession: 3296-6
(Superseded to 3296-6)

$1.99

$

In Stock, Qty 20+

0

15

Toro 33-5600

DISCONTINUED

$

$

Not available

16

Toro 27-6230

BOLT-WHEEL

$8.99

$

In Stock, only 2 left!

0

17

Toro 25-3440

PIVOT SCREW

$

$

Not available

18

Toro 33-0400

PIVOT ARM ASSY

$

$

Not available

19

Toro 33-0390

PIVOT WASHER

$4.49

$

In Stock, only 2 left!

0

20

Toro 33-0500

DISCONTINUED

$

$

Not available

21

Toro 33-2320

DISCONTINUED

$

$

Not available

22

Toro 38-2650

DISCONTINUED
(Superseded to 27-6210)

$

$

Not available

23

Toro 8-3539

DISCONTINUED

$

$

Not available

24

Toro 33-0420

See Supercession: 13-5829
(Superseded to 13-5829)

$

$

Not available

Toro 8-5349

Loose Parts

Note: Not illustrated

$

$

Currently unavailable