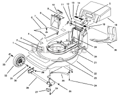
20808 B - Toro 48cm Recycler Walk-Behind Mower (SN: 069000001 - 069999999) (1996) Parts & Diagrams Parts Lists & Diagrams

48cm Recycler Walk-Behind Mower