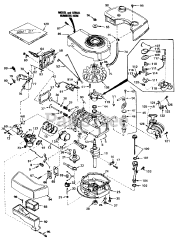
20810 - Toro Walk-Behind Mower (SN: 001000001 - 001999999) (1981) Parts & Diagrams Parts Lists & Diagrams

Walk-Behind Mower