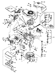
20810 - Toro Walk-Behind Mower (SN: 002000001 - 002999999) (1982) Parts & Diagrams Parts Lists & Diagrams

Walk-Behind Mower