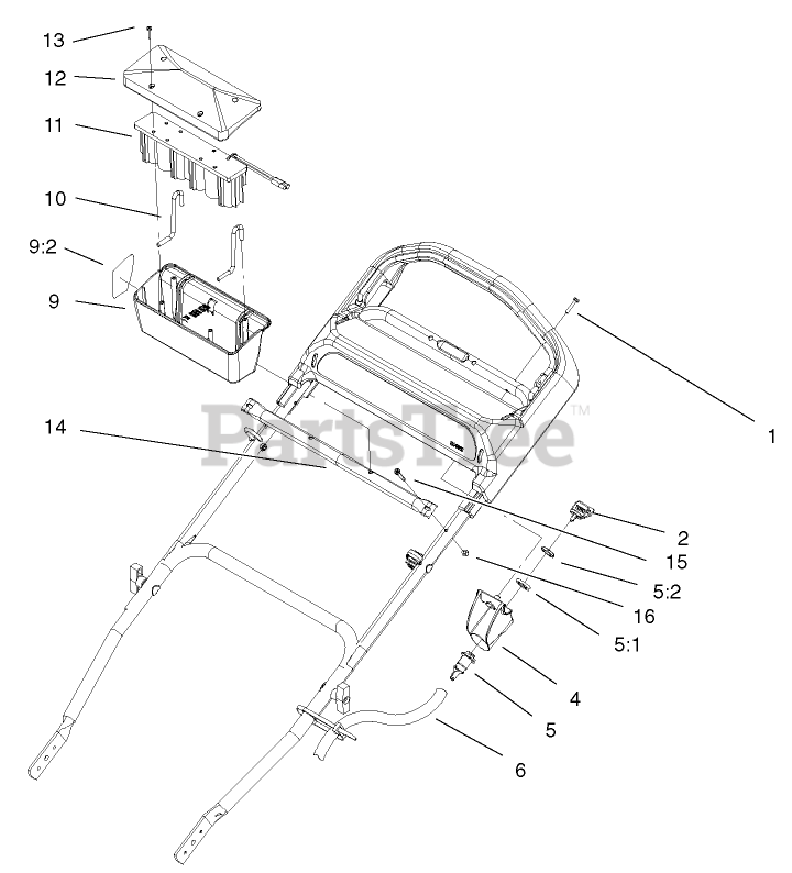
20829 - Toro 48cm Recycler Walk-Behind Mower (SN: 210000001 - 210999999) (2001) Electric Start Assembly Parts Diagram

48cm Recycler Walk-Behind Mower

Electric Start Assembly Parts Diagram

  • Title
1

Toro 32144-97

SCREW-PPH, PLASTITE

$0.99

$

In Stock, only 3 left!

0

2

Toro 63-8360

KEY-IGNITION

$6.49

$

In Stock, Qty 20+

0

3

Toro 218-461

NUT-HH

$3.99

$

In Stock, Qty 9

0

4

Toro 99-6006

SWITCH-HOLDER

$

$

Not available

5

Toro 46-5780

STARTER SWITCH ASM

$31.99

$

In Stock, only 2 left!

0

5:1

Toro 3254-5

WASHER-LOCK

$1.49

$

In Stock, Qty 8

0

5:2

Toro 218-461

NUT-HH

$3.99

$

In Stock, Qty 9

0

6

Toro 104-7581

HARNESS-WIRE

$

$

Not available

9

Toro 100-9117

BOX ASM

$

$

Not available

9:2

Toro 100-4369

DECAL-BOX, BATTERY

$

$

Not available

10

Toro 99-5299

ROD-BATTERY

$

$

Not available

11

Toro 99-5296

BATTERY-WET

$

$

Not available

12

Toro 99-5298

COVER-BATTERY

$

$

Not available

13

Toro 94-4496

SCREW-PPH

$1.49

$

In Stock, Qty 20+

0

14

Toro 104-7563-05

BAR-BATTERY

$

$

Not available

15

Toro 3250-52

SCREW-PPH

$1.49

$

Usually ships in 3-6 days

0

16

Toro 3296-2

NUT-LOCK, NI

$2.49

$

In Stock, Qty 11

0

20

Toro 98-2391

CHARGER-EUROPEAN, 12V DC

Note: Not illustrated

$

$

Not available