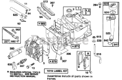
20903 B - Toro 48cm Rear Bagging Walk-Behind Mower (SN: 049000001 - 049999999) (1994) Parts & Diagrams Parts Lists & Diagrams

48cm Rear Bagging Walk-Behind Mower