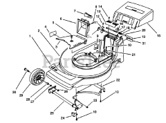
20916 B - Toro 48cm Rear Bagging Walk-Behind Mower (SN: 039000001 - 039999999) (1993) Parts & Diagrams Parts Lists & Diagrams

48cm Rear Bagging Walk-Behind Mower