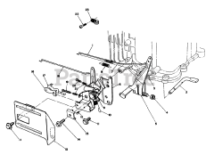
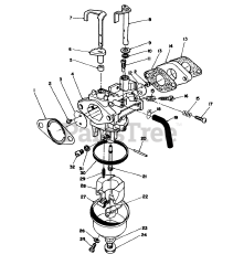
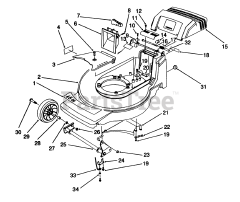
20925 - Toro 48cm Rear Bagging Walk-Behind Mower (SN: 000000001 - 000999999) (1990) Parts & Diagrams Parts Lists & Diagrams

48cm Rear Bagging Walk-Behind Mower