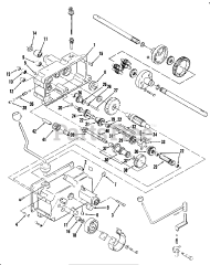
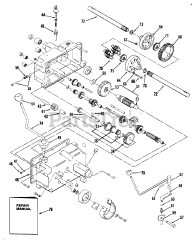
21-08K804 (308-8) - Toro Lawn Tractor (1988) Parts & Diagrams Parts Lists & Diagrams

Lawn Tractor