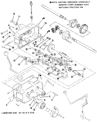
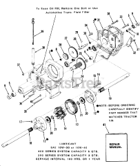
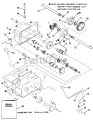
21-12K803 (312-8) - Toro Garden Tractor (1986) Parts & Diagrams Parts Lists & Diagrams

Garden Tractor