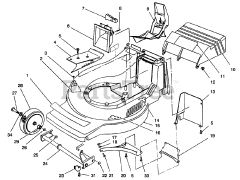
21050 BE - Toro 43cm Recycler Walk-Behind Mower, Electric (SN: 069000001 - 069999999) (1996) Parts & Diagrams Parts Lists & Diagrams

43cm Recycler Walk-Behind Mower, Electric

21050 BE - Toro 43cm Recycler Walk-Behind Mower, Electric (SN: 069000001 - 069999999) (1996) > Parts Diagrams (6)