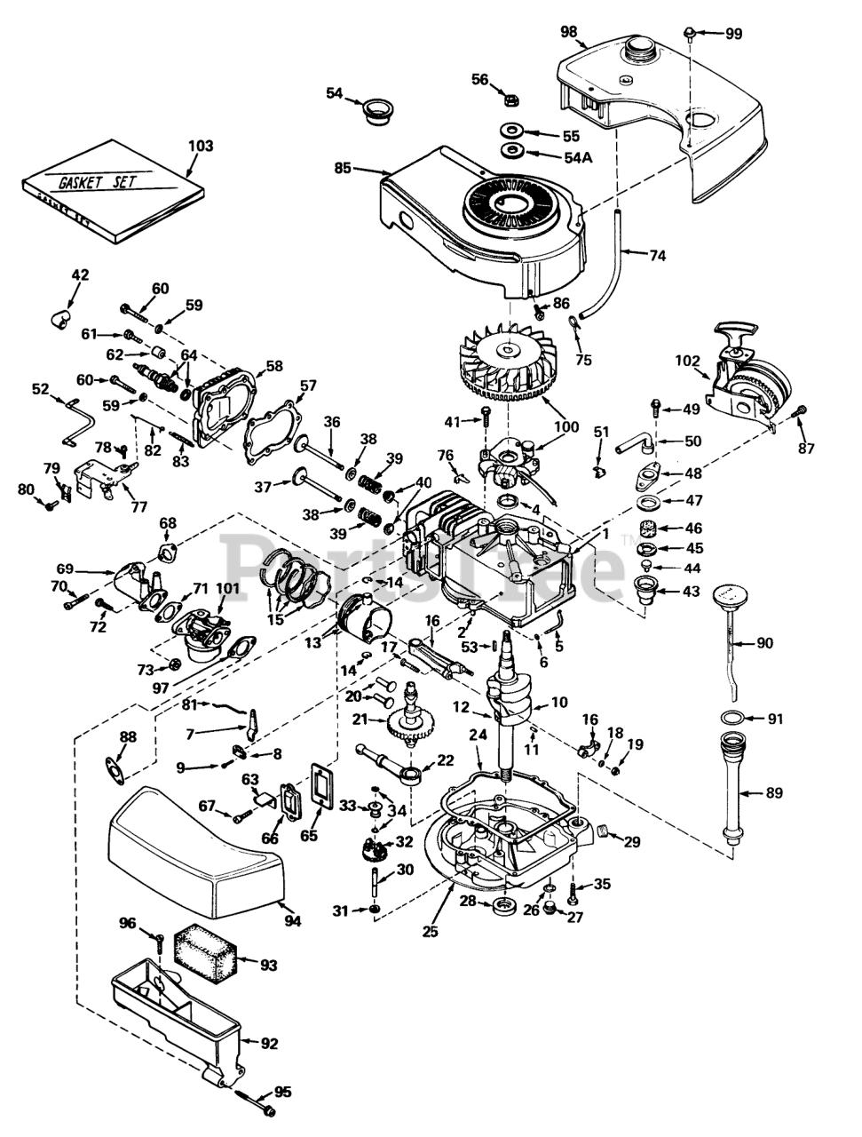
21610 - Toro Guardian Walk-Behind Mower (SN: 005000001 - 005999999) (1975) ENGINE TECUMSEH MODEL TNT100-10042 (MOWER MODEL NO. 21610) Parts Diagram

Guardian Walk-Behind Mower

ENGINE TECUMSEH MODEL TNT100-10042 (MOWER MODEL NO. 21610) Parts Diagram

  • Title
1

Tecumseh 33883

Cylinder Assembly (Incl. Nos. 2, 4 & 87)

$

$

Currently unavailable

2

Tecumseh 26727

Pin-Dowel

$1.99

$

In Stock, Qty 5

0

4

Tecumseh 29183

OIL SEAL

$7.49

$

In Stock, Qty 8

0

5

Tecumseh 30589

Rod, Governor (Incl. No. 6)

$5.49

$

In Stock, only 2 left!

0

6

Tecumseh 28277

Washer-Flat

$1.99

$

In Stock, only 2 left!

0

7

Tecumseh 32651

Governor Lever

$

$

Not available

8

Tecumseh 31335

Clamp-Lever, Governor

$1.99

$

In Stock, Qty 5

0

9

Tecumseh 650548

Screw
(Superseded to 651018)

$1.99

$

In Stock, only 2 left!

0

10

Tecumseh 33884

Crankshaft (Incl. Nos. 11 & 12)
(Superseded to 33884A)

$

$

Currently unavailable

11

Tecumseh 29783

Pin, Groove

$1.99

$

In Stock, only 1 left!

0

12

Tecumseh 27613

Gear, Crankshaft

$

$

Currently unavailable

13

Tecumseh 32603

Piston & Pin Assy., (Incl. 2 of No. 14) (Standard)
(Superseded to 35544A)

$60.99

$

Usually ships in 3-12 days

0

13

Tecumseh 32604

Piston & Pin Assy., (Incl. 2 of No. 14) (.010 Oversize)
(Superseded to 35545A)

$

$

Not available

13

Tecumseh 32605

Piston & Pin Assy., (Incl. 2 of No. 14) (.020 Oversize)
(Superseded to 35546)

$

$

Not available

14

Tecumseh 20381

Ring-Retaining, Piston Pin

$1.99

$

Usually ships in 3-12 days

0

15

Tecumseh 32606

Ring Set Piston (Std.)
(Superseded to 34854)

$

$

Not available

15

Tecumseh 32607

Ring Set Piston (.010 Oversize)
(Superseded to 34855)

$

$

Not available

15

Tecumseh 32608

Ring Set Piston (.020 Oversize)
(Superseded to 34856)

$

$

Not available

16

Tecumseh 30963B

Rod Assembly, Connecting (Incl. Nos. 17, 18 & 19)

$29.99

$

In Stock, only 2 left!

0

17

Tecumseh 26706

Bolt, Connecting

$

$

Currently unavailable

18

$

$

Currently unavailable

19

Tecumseh 27573

LOCKNUT

$

$

Currently unavailable

20

Tecumseh 27241

Lifter-Valve

$5.49

$

In Stock, Qty 6

0

21

Tecumseh 34014

Camshaft (Mech. Compression Release)
(Superseded to 35992)

$72.99

$

Usually ships in 3-12 days

0

22

Tecumseh 29914

Oil Pump ASM

$9.49

$

Usually ships in 3-12 days

0

24

Tecumseh 26750A

Gasket, Mounting
(Superseded to 37609)

Note: Indicates items included in gasket set part no. 33906.

$2.99

$

Usually ships in 3-12 days

0

25

Tecumseh 33898

Flange Assembly, Mounting (Incl. Nos. 27, 28, 29 & 30)

$

$

Currently unavailable

26

Tecumseh 28833

Gasket-Oil Drain

Note: Indicates items included in gasket set part no. 33906.

$1.99

$

In Stock, only 4 left!

0

27

Tecumseh 27244

Plug Oil Drain
(Superseded to 36083)

$6.99

$

In Stock, only 3 left!

0

28

Tecumseh 26208

Seal Oil

$8.49

$

In Stock, only 4 left!

0

29

Tecumseh 33885

Plug Oil Drain

$1.99

$

Usually ships in 3-12 days

0

30

Tecumseh 30574

Shaft-Governor
(Superseded to 30574A)

$7.49

$

Usually ships in 3-12 days

0

31

Tecumseh 30590A

Washer-Flat

$1.99

$

In Stock, Qty 8

0

32

Tecumseh 30591

Governor Gear ASM

$13.99

$

In Stock, only 1 left!

0

33

Tecumseh 30588A

Spool-Governor

$1.99

$

In Stock, Qty 10

0

34

Tecumseh 29193

Ring-Retaining

$1.99

$

In Stock, Qty 15

0

35

Tecumseh 650488

Screw (1/4-20 x 1-1/4)

$1.99

$

Usually ships in 3-12 days

0

36

Tecumseh 29314A

Valve, Intake (Standard) (Incl. Nos. 38, 39 & 40)
(Superseded to 29314C)

$5.99

$

In Stock, Qty 7

0

36

Tecumseh 29315B

Valve, Intake (1/32" Oversize) (Incl. Nos. 38, 39 & 40)
(Superseded to 29315C)

$

$

Not available

37

Tecumseh 29313B

Valve, Exhaust (Standard) (Incl. Nos. 38, 39 & 40)
(Superseded to 29313C)

$

$

Not available

37

Tecumseh 29315B

Valve, Exhaust (1/32" Oversize) (Incl. Nos. 38, 39 & 40)
(Superseded to 29315C)

$

$

Not available

38

Tecumseh 31671

Cap-Upper Valve Spring

$

$

Not available

39

Tecumseh 31672

Spring-Valve

$1.99

$

In Stock, only 3 left!

0

40

Tecumseh 31673

Cap-Valve, Spring

$1.99

$

In Stock, Qty 20+

0

41

$

$

Not available

42

Tecumseh 610118

Cover-Spark Plug

$6.49

$

In Stock, only 2 left!

0

43

Tecumseh 33731

Body Breather Tube
(Superseded to 34214B)

$

$

Not available

44

Tecumseh 33732

Valve Check
(Superseded to 34214B)

$

$

Not available

45

Tecumseh 33733

2000A37 WIZARD ROTA
(Superseded to 34214B)

$

$

Not available

46

Tecumseh 33734

Element-Breather

$1.99

$

In Stock, Qty 20+

0

47

Tecumseh 33735

Gasket-Breather

Note: Indicates items included in gasket set part no. 33906.

$1.99

$

In Stock, only 1 left!

0

48

Tecumseh 33737

Cover Breather
(Superseded to 34214B)

$

$

Not available

49

Tecumseh 650768

Screw, Hex Hd. w/Conical
(Superseded to 30200)

$1.49

$

In Stock, Qty 20+

0

50

Tecumseh 33886

Tube, Breaker

$

$

Not available

51

Tecumseh 33887

Clip, Breather

$3.99

$

In Stock, only 1 left!

0

52

Tecumseh 33888

Wire, Ground

$

$

Currently unavailable

53

Tecumseh 27247

Key Flywheel
(Superseded to 610961)

$1.49

$

In Stock, Qty 20+

0

$

$

Currently unavailable

54A

Tecumseh 650791

Washer Flat

$0.99

$

In Stock, only 3 left!

0

55

Tecumseh 650490

Washer
(Superseded to 650815)

$1.99

$

In Stock, only 3 left!

0

56

Tecumseh 650607

Hex Nut

$1.99

$

In Stock, Qty 5

0

57

Tecumseh 33554

Oil Fill Tube
(Superseded to 36443)

Note: Indicates items included in gasket set part no. 33906.

$5.99

$

In Stock, only 1 left!

0

58

Tecumseh 33016

Head Cylinder
(Superseded to 37675)

$41.99

$

In Stock, only 2 left!

0

59

$

$

Not available

60

Tecumseh 6021

Screw
(Superseded to 6021A)

$1.99

$

In Stock, Qty 17

0

61

Tecumseh 650697

Screw Hex Hd. Cap
(Superseded to 650697A)

$1.99

$

In Stock, Qty 5

0

62

$1.99

$

Usually ships in 3-12 days

0

63

Tecumseh 30593

Retainer Clip

$1.99

$

In Stock, only 1 left!

0

64

Tecumseh 33636

Plug, Spark (J17LM or equiv.)

$5.99

$

In Stock, Qty 20+

0

65

Tecumseh 27234

Gasket-Breather
(Superseded to 27234A)

Note: Indicates items included in gasket set part no. 33906.

$5.99

$

In Stock, only 2 left!

0

66

Tecumseh 32755

Cover-Valve

$5.49

$

Usually ships in 3-12 days

0

67

$5.49

$

In Stock, Qty 12

0

67A

Tecumseh 33932

Terminal

$1.99

$

Usually ships in 3-12 days

0

68

Tecumseh 30188

Gasket, Intake
(Superseded to 32649A)

Note: Indicates items included in gasket set part no. 33906.

$2.99

$

Usually ships in 3-12 days

0

69

Tecumseh 33004

Pipe, Intake
(Superseded to 33004A)

$23.99

$

Usually ships in 3-12 days

0

70

Tecumseh 650451

Screw (1/4-20 x 1)

$1.99

$

In Stock, Qty 20+

0

71

Tecumseh 31688

Gasket-Carburetor
(Superseded to 31688A)

Note: Indicates items included in gasket set part no. 33906.

$2.49

$

In Stock, only 2 left!

0

72

Tecumseh 6202

Screw
(Superseded to 6201)

$

$

Not available

73

Tecumseh 29752

Nut and Lock Washer (1/4-28)

$1.99

$

In Stock, Qty 8

0

74

Tecumseh 32342

Line, Fuel
(Superseded to 30705)

$16.99

$

In Stock, Qty 12

0

75

Tecumseh 26460

Clamp-Line, Fuel

$1.49

$

In Stock, Qty 7

0

78

Tecumseh 650783

Screw (10-24 x 3/4)

$1.99

$

In Stock, only 2 left!

0

79

Tecumseh 27793

Conduit

$1.99

$

In Stock, Qty 5

0

80

Tecumseh 28942

Screw (10-32 x 3/8)

$1.49

$

In Stock, Qty 18

0

81

Tecumseh 33133

Link Governor

$1.99

$

Usually ships in 3-12 days

0

82

Tecumseh 33295

Link Governor Spring

$0.99

$

Usually ships in 3-12 days

0

83

Tecumseh 33890

Spring Governor

$1.99

$

In Stock, Qty 5

0

85

Tecumseh 33891

Housing, Blower
(Superseded to 33891B)

$

$

Not available

86

Tecumseh 650497

Screw
(Superseded to 650911)

$1.99

$

Usually ships in 3-12 days

0

87

Tecumseh 650737

Screw (1/4-20 x 1/2)

$1.99

$

In Stock, Qty 5

0

88

Tecumseh 30081

Gasket Exhaust
(Superseded to 30081A)

Note: Indicates items included in gasket set part no. 33906.

$1.49

$

In Stock, Qty 12

0

89

Tecumseh 33893

Tube, Oil Filler
(Superseded to 33893A)

$

$

Not available

90

Tecumseh 33894

Dipstick, Oil (Incl. No. 91)
(Superseded to 36879)

$9.99

$

Usually ships in 3-12 days

0

91

$1.99

$

In Stock, only 4 left!

0

92

Tecumseh 33895

Body Air Cleaner

$10.99

$

Usually ships in 3-12 days

0

93

Tecumseh 33896

Filer, Air

$4.49

$

In Stock, Qty 10

0

94

Tecumseh 33897

Cove, Air Cleaner

$

$

Not available

95

Tecumseh 650762

Screw Fil Hd.

$5.49

$

In Stock, only 1 left!

0

96

Tecumseh 650784

Screw, Hex Hd.

$1.99

$

In Stock, Qty 5

0

97

Tecumseh 33051

Gasket-Air Cleaner

Note: Indicates items included in gasket set part no. 33906.

$1.49

$

In Stock, Qty 6

0

98

Tecumseh 33904

Tank Fuel
(Superseded to 33904B)

$

$

Not available

99

Tecumseh 28763

Screw (10-32 x 35/64)

$1.99

$

In Stock, Qty 6

0

100

Tecumseh 610793

Magneto

$

$

Currently unavailable

101

Tecumseh 631784

Carburetor
(Superseded to 632795A)

$109.99

$

In Stock, Qty 8

0

102

Tecumseh 590450A

Starter, Side Mount
(Superseded to 590519)

$

$

Not available

103

Tecumseh 33906

53024/VAR.16HP O/P
(Superseded to 33906D)

$23.99

$

In Stock, only 1 left!

0