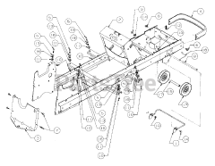
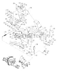
2166 (13A-214G100) - Cub Cadet Garden Tractor Parts & Diagrams Parts Lists & Diagrams

Garden Tractor