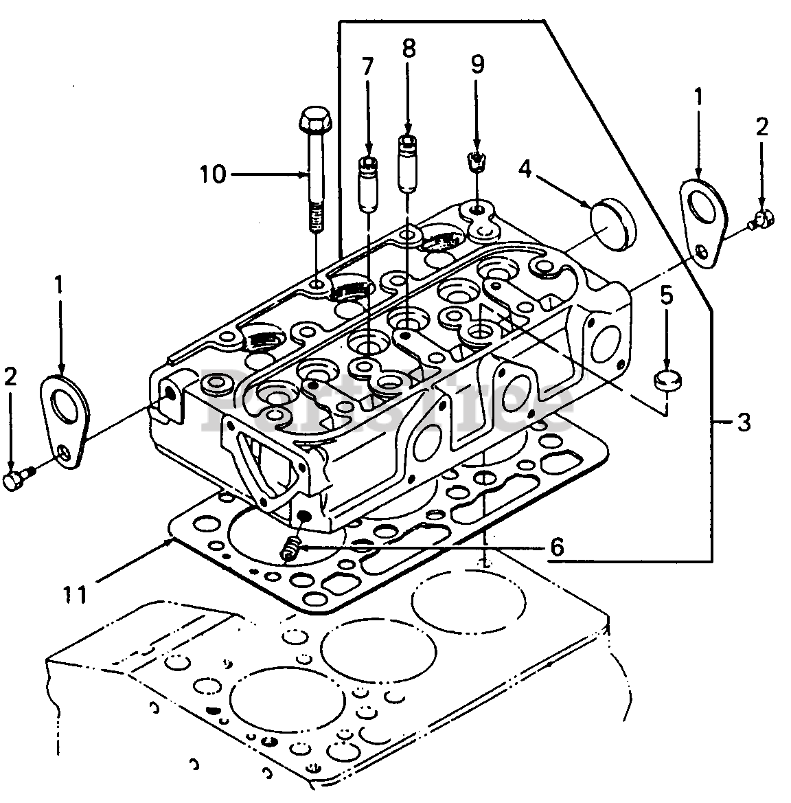
2182 (143-743-100) - Cub Cadet Super Garden Tractor (SN: 821060 - 880000) Cylinder Head Parts Diagram

Super Garden Tractor

Cylinder Head Parts Diagram

  • Title
1

$

$

Not available

$

$

Not available

3

Cub Cadet KB-12599-03040

Cylinder Head Assy

Note: [Includes Ref No. 4, 5 (Qty 2), 6, 7 (Qty 3), 8 (Qty 3) & 9)]

$

$

Not available

$

$

Not available

$

$

Not available

$

$

Not available

7

Cub Cadet KB-15841-13540

Guide, Intake Valve

$

$

Not available

8

Cub Cadet KB-15841-13560

Guide, Exhaust Valve

$

$

Not available

$

$

Not available

10

Cub Cadet KB-14601-03450

Bolt, Cylinder Head

$

$

Not available

11

Cub Cadet KB-12581-03310

Gasket, Cylinder Head
(Superseded to KB-12581-03312)

$

$

Not available