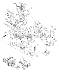
2186 (13B-288M100) - Cub Cadet Garden Tractor Parts & Diagrams Parts Lists & Diagrams

Garden Tractor