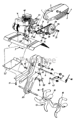
21A-340-136 - Yard Machines Tiller (1997) (Homebase) Parts & Diagrams Parts Lists & Diagrams

Tiller

21A-340-136 - Yard Machines Tiller (1997) (Homebase) > Parts Diagrams (2)