21AB452A004 - MTD Gold Tiller (2011) Handle & Tine Shield 450 Series Parts Diagram

Gold Tiller

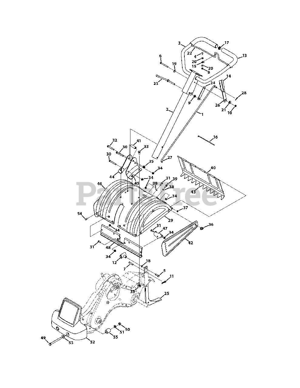
Handle & Tine Shield 450 Series Parts Diagram

  • Title
1

MTD 747-1152

Shaft Rod

$48.99

$

Usually ships in 3-6 days

0

2

MTD 649-0034-0691

Lower Handle Tube Assembly

$96.99

$

Usually ships in 3-6 days

0

3

MTD 649-0041-0691

Upper Handle Assembly
(Superseded to 649-0041B-0691)

$221.99

$

Usually ships in 3-6 days

0

4

MTD 710-0946

Screw, 1/4-20 x 0.625

$3.99

$

Usually ships in 3-6 days

0

5

MTD 710-3005

Hex Head Screw, 3/8-16:1.25

$4.49

$

In Stock, Qty 20+

0

6

MTD 710-3056

Hex Head Screw, 5/16-18 x 3.25

$10.99

$

In Stock, only 1 left!

0

7

MTD 911-0415

Clevis Pin, .375 X 1.75
(Superseded to 711-0415)

$4.99

$

In Stock, only 2 left!

0

8

MTD 712-0324

Hexlock Nut, 1/4-20

$3.99

$

In Stock, only 2 left!

0

9

MTD 712-0379

Flangelock Nut, 3/8-24

$4.99

$

Usually ships in 3-6 days

0

10

MTD 912-0429

Hexlock Nut, 5/16-18
(Superseded to 712-0429)

$4.49

$

In Stock, Qty 20+

0

11

MTD 714-0147

Cotter Pin, .125 X 1.75 INTERNAL

$5.49

$

In Stock, Qty 6

0

12

MTD 720-0210A

Small Tee Knob

$16.99

$

In Stock, only 2 left!

0

13

MTD 720-0278A

Foam Grip, .970 x 11.0

$24.99

$

Usually ships in 3-6 days

0

14

MTD 720-0313

Grip, .1875 x 1.00

$20.99

$

Usually ships in 3-6 days

0

15

MTD 726-0273

Battery Clamp, 5/16

$7.99

$

Usually ships in 3-6 days

0

16

MTD 726-0317

Cable Tie, 8.5 LG

$5.49

$

Usually ships in 3-6 days

0

17

MTD 735-0246A

End Plug

$6.49

$

In Stock, Qty 8

0

18

MTD 936-0117

Washer, Flat, .385 x .620 x .033

$7.49

$

In Stock, only 1 left!

0

19

MTD 736-0242

Washer, Bell, .340 x .872 x .060

$4.99

$

In Stock, Qty 20+

0

20

MTD 736-3090

Washer, Flat, .260 x .720 x .060

$6.99

$

In Stock, Qty 5

0

21

MTD 938-0958

Spacer, Shoulder, .50 x .190 x .360 LG

$4.49

$

Usually ships in 3-6 days

0

22

MTD 747-1219-0637

Clutch Bail

$34.99

$

Usually ships in 3-6 days

0

23

MTD 784-0190

Handle Adjustment Crank

$25.99

$

Usually ships in 3-6 days

0

24

MTD 784-0191

Hex Nut Retainer Bracket

$7.99

$

Usually ships in 3-6 days

0

25

MTD 786-0120-0637

Tiller Depth Control

$70.99

$

In Stock, only 3 left!

0

26

MTD 786-0181-0691

Shaft Rod Lever

$23.99

$

Usually ships in 3-6 days

0

27

MTD 735-0127

Washer, Rubber, .33 ID x .87 OD x .125

$7.49

$

Usually ships in 3-6 days

0

28

MTD 914-0104

Cotter Pin, .072 x 1.12 LG
(Superseded to 714-0104)

$4.49

$

In Stock, Qty 10

0

29

MTD 686-0044B-0691

End Cover Assembly

$89.99

$

Usually ships in 3-6 days

0

30

MTD 710-0176

Hex Head Screw, 5/16-18 x 2.75

$4.99

$

Usually ships in 3-6 days

0

31

MTD 710-3008

Hex Head Screw, 5/16-18 x .75

$4.49

$

In Stock, Qty 20+

0

32

MTD 710-3022

Hex Head Screw, 3/8-16 x 2.75

$4.99

$

In Stock, only 1 left!

0

33

MTD 710-04482

Hex Head Flange, 3/8-16 x .875

$4.99

$

In Stock, Qty 10

0

34

MTD 712-04063

Flangelock Nut, 5/16-18

$4.49

$

In Stock, only 3 left!

0

35

MTD 712-04065

Flangelock Nut, 3/8-16

$4.49

$

In Stock, Qty 20+

0

36

MTD 712-0421

Wing Nut, 5/16-18 W/ Bell Washer

$7.49

$

In Stock, only 3 left!

0

37

MTD 926-0106

Speed Nut Cap, 1/4 ROD
(Superseded to 726-0106)

$

$

Not available

38

MTD 736-0204

Washer, Flat, .344 x .62 x .033

$4.49

$

In Stock, Qty 14

0

39

MTD 938-0849

Screw, Hex, 5/16-18 x .75

$10.99

$

Usually ships in 3-6 days

0

40

MTD 747-0432

Tiller Flap Rod

$14.99

$

Usually ships in 3-6 days

0

41

MTD 750-0885A

Spacer, .322 x .625 x 2.00

$12.99

$

Usually ships in 3-6 days

0

42

MTD 786-0090A-0662

Side Shield

$35.99

$

Usually ships in 3-6 days

0

43

MTD 786-0113A-0691

Rear Tine Shield

$95.99

$

Usually ships in 3-6 days

0

44

MTD 786-0176-0691

RH Handle Mount Bracket

$21.99

$

Usually ships in 3-6 days

0

45

MTD 786-0177-0691

LH Handle Mount Bracket

$21.99

$

Usually ships in 3-6 days

0

46

MTD 786-0178A-0691

Tine Shield

$118.99

$

Usually ships in 3-6 days

0

47

MTD 786-0179-0637

FRT Tine Shield Bracket

$52.99

$

Usually ships in 3-6 days

0

48

MTD 786-0180-0637

FRT Tine Shield Spacer Bracket

$50.99

$

Usually ships in 3-6 days

0

49

MTD 710-0382

Hex Head Screw, 1/2-13 x 5.00

$12.99

$

Usually ships in 3-6 days

0

49

MTD 710-0506

Hex Head Screw, 1/2-13 x 5.50

$11.99

$

In Stock, Qty 6

0

50

MTD 912-0206

Hex Nut, 1/2-13
(Superseded to 712-0206)

$4.99

$

In Stock, Qty 20+

0

50

MTD 912-3066

Hex Nut, 1/2-20

$7.49

$

In Stock, only 1 left!

0

51

MTD 936-0921

Washer, Lock, 1/2
(Superseded to 736-0921)

$4.99

$

In Stock, Qty 9

0

52

MTD 731-1595

Counterweight

$165.99

$

Usually ships in 3-6 days

0

53

MTD 936-0179

Washer, Flat, 1/2 x 1.25 x .100
(Superseded to 736-0179)

$4.99

$

In Stock, Qty 14

0

54

MTD 710-0376

Hex Head Screw, 5/16-18 x 1.00

$4.49

$

In Stock, Qty 20+

0

55

MTD 750-0194

Hub, .636 ID x 1.00 OD x .94

$9.99

$

In Stock, only 4 left!

0