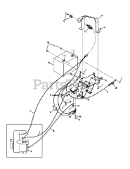
21AE692K766 - Troy-Bilt Pony Rear-Tine Tiller (2015) Parts & Diagrams Parts Lists & Diagrams

Pony Rear-Tine Tiller

21AE692K766 - Troy-Bilt Pony Rear-Tine Tiller (2015) > Parts Diagrams (6)