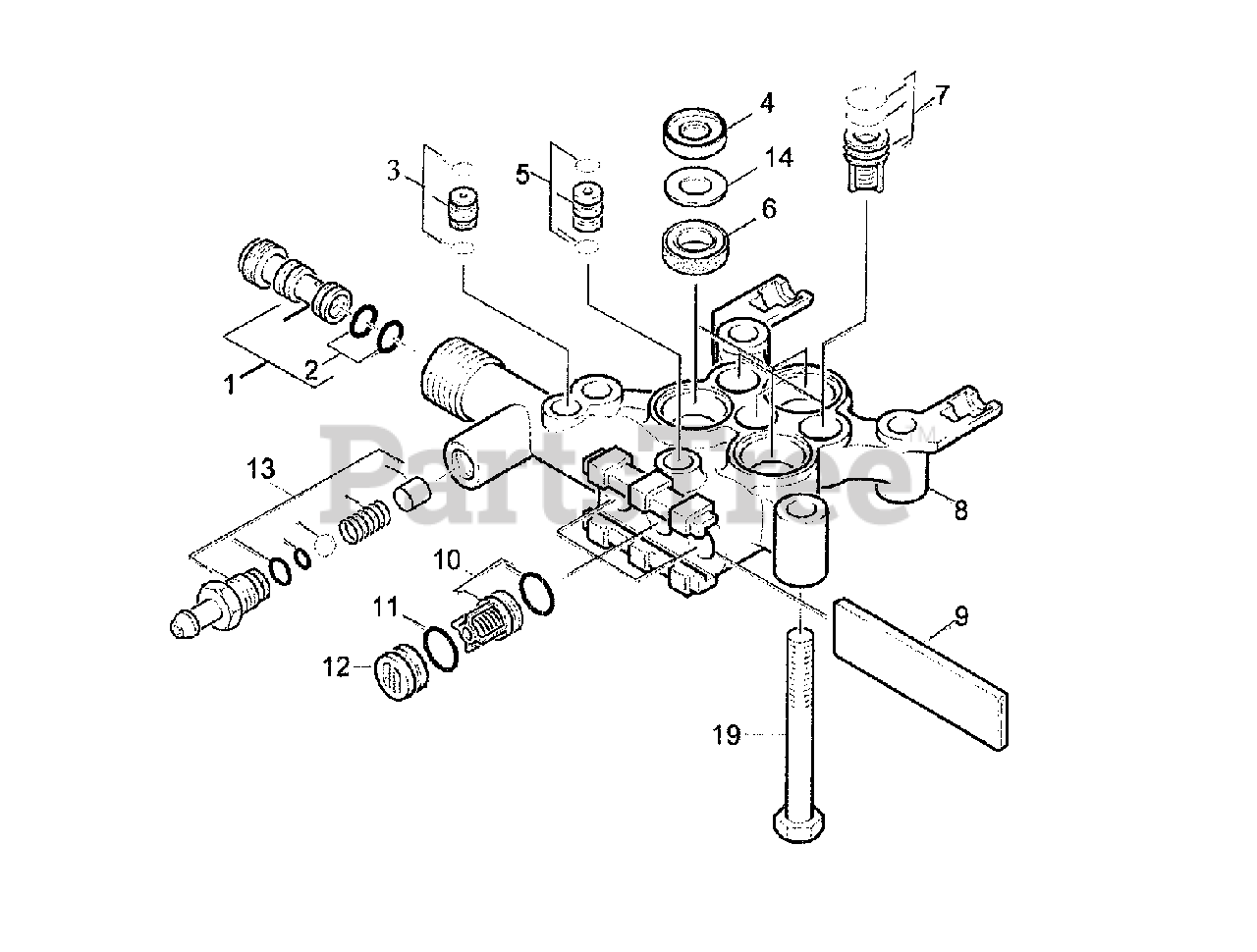
2200 H (26A-024-100) - Cub Cadet Pressure Washer (2001) Pump Set Parts Diagram

Pressure Washer

Pump Set Parts Diagram

  • Title

Cub Cadet KR-3532831

Pump Set

Note: Incl. "General Assembly" illustration & parts list ref. 1-19, "Piston Kit" illustration & parts list ref. 1-10

$

$

Currently unavailable

1

Cub Cadet KR-4769040

Nozzle Insert

$

$

Not available

$

$

Not available

$

$

Not available

$

$

Not available

$

$

Not available

6

Cub Cadet KR-6365394

Grooved Ring

$

$

Not available

$

$

Not available

8

Cub Cadet KR-5550249

Cylinder Head

$

$

Not available

$

$

Not available

$

$

Not available

$

$

Not available

12

$

$

Not available

13

Cub Cadet KR-2883862

Rebuild Kit

$

$

Not available

$

$

Not available

19

$

$

Not available