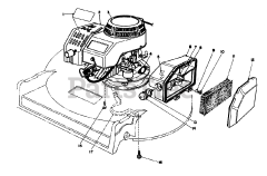
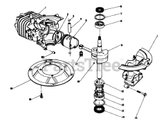
22043 - Toro Recycler Walk-Behind Mower (SN: 039000965 - 039999999) (1993) Parts & Diagrams Parts Lists & Diagrams

Recycler Walk-Behind Mower