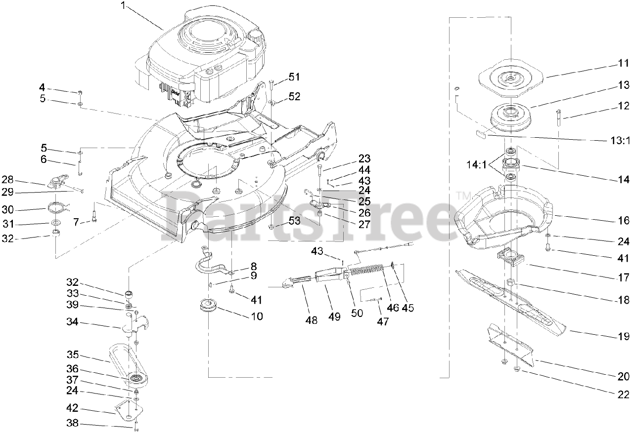
22168 - Toro 21" Heavy-Duty Recycler Walk-Behind Mower (SN: 250000001 - 250999999) (2005) Engine, Belt and Blade Assembly Parts Diagram

21" Heavy-Duty Recycler Walk-Behind Mower

Engine, Belt and Blade Assembly Parts Diagram

  • Title
1

Loose Parts Package

Note: Not serviced separately

$

$

Not available

1

Loose Parts Package

Note: Obtain parts from www.honda-engines.com

$

$

Not available

4

Toro 3296-29

NUT-LOCK, NI

$2.49

$

In Stock, Qty 20+

0

5

Toro 3256-23

WASHER-PLAIN

$2.49

$

In Stock, Qty 10

0

6

Toro 322-10

SCREW-HH

$0.99

$

In Stock, Qty 20+

0

7

Toro 103-2678

SCREW-SHOULDER

$6.99

$

Usually ships in 3-6 days

0

8

Toro 66-0570-03

BRACKET-GUIDE, BELT

$15.99

$

In Stock, only 1 left!

0

9

Toro 3257-17

KEY-WOODRUFF

$

$

Not available

10

Toro 56-6180

PULLEY-DRIVER

$52.99

$

In Stock, only 2 left!

0

11

Toro 56-6160-03

FLYWHEEL - BBC

$115.99

$

In Stock, only 2 left!

0

12

Toro 42-3190

BOLT-BLADE

$12.99

$

In Stock, Qty 8

0

13

Toro 94-9431

BRAKE DRUM ASM

$54.99

$

In Stock, Qty 20+

0

13:1

Toro 52-3480

DAMPENER-VIBRATION

$1.99

$

In Stock, Qty 5

0

14

Toro 42-6890

HUB ASM

$109.99

$

In Stock, only 2 left!

0

14:1

Toro 100-1048

See Supercession: 38-7820
(Superseded to 38-7820)

$15.99

$

In Stock, Qty 20+

0

16

Toro 46-5693

SHIELD

$40.99

$

In Stock, only 2 left!

0

17

Toro 62-4280

See Supercession: 107-4275
(Superseded to 107-4275)

$26.99

$

Usually ships in 3-6 days

0

18

Toro 603164

NUT-BLADE
(Superseded to 121-3611)

$6.49

$

In Stock, only 2 left!

0

19

Toro 14-9419

See Supercession: 91-2256-03
(Superseded to 91-2256-03)

$34.99

$

In Stock, only 3 left!

0

20

Toro 91-2255-03

STIFFENER-BLADE

$94.99

$

In Stock, only 4 left!

0

22

Toro 54-9190

NUT-LOCK
(Superseded to 127-6852)

$2.99

$

In Stock, Qty 20+

0

23

Toro 32104-107

SCREW-HH

$8.49

$

Usually ships in 3-6 days

0

24

Toro 3256-23

WASHER-PLAIN

$2.49

$

In Stock, Qty 10

0

25

Toro 49-2810

LINK-CONTROL

$3.99

$

In Stock, only 1 left!

0

26

Toro 49-7960

BELLCRANK

$13.99

$

Usually ships in 3-6 days

0

27

Toro 49-7950

SLEEVE-BELLCRANK

$5.49

$

Usually ships in 3-6 days

0

28

Toro 49-2820

LEVER

$13.99

$

In Stock, only 2 left!

0

29

Toro 32104-96

SCREW-HH

$6.99

$

In Stock, Qty 5

0

30

Toro 49-7970

SPRING-TORSION

$16.99

$

Usually ships in 3-6 days

0

31

Toro 70-1160

WASHER

$4.49

$

Usually ships in 3-6 days

0

32

Toro 68-9780

BEARING

$27.99

$

Usually ships in 3-6 days

0

33

Toro 85-6880

SPRING-TORSION

$7.49

$

Usually ships in 3-6 days

0

34

Toro 84-9130

ARM-IDLER

$47.99

$

Usually ships in 3-6 days

0

35

Toro 42-0884

V-BELT

$18.99

$

In Stock, Qty 11

0

36

Toro 46-5650

See Supercession: 117-5299
(Superseded to 117-5299)

$44.99

$

In Stock, only 3 left!

0

37

Toro 46-5631

SPACER-PULLEY, IDLER

$2.99

$

In Stock, Qty 6

0

38

Toro 322-6

SCREW-HH

$4.49

$

In Stock, Qty 16

0

39

Toro 3296-47

NUT-LOCK, NI

$4.49

$

In Stock, Qty 17

0

41

Toro 32144-70

SCREW-HWHTF

$2.99

$

In Stock, only 3 left!

0

42

Toro 84-9180

See Supercession: 125-1065
(Superseded to 125-1065)

$28.99

$

In Stock, only 2 left!

0

43

Toro 3272-1

PIN-COTTER

$0.99

$

In Stock, Qty 9

0

44

Toro 84-9050

PIN-SPRING

$15.99

$

Usually ships in 3-6 days

0

45

Toro 65-5280

RETAINER-SPRING

$3.99

$

Usually ships in 3-6 days

0

46

Toro 84-9100

SPRING

$13.99

$

Usually ships in 3-6 days

0

47

Toro 46-7040

SCREW-HWHTF

$2.99

$

Usually ships in 3-6 days

0

48

Toro 106-0842

GUIDE-SPRING

$

$

Not available

49

Toro 107-4087-03

BRACKET-SPRING

$13.99

$

Usually ships in 3-6 days

0

50

Toro 84-9040

PIN-CABLE

$13.99

$

Usually ships in 3-6 days

0

51

Toro 322-6

SCREW-HH

$4.49

$

In Stock, Qty 16

0

52

Toro 62-3720

CLAMP-CABLE

$2.99

$

In Stock, only 1 left!

0

53

Toro 3296-58

NUT-LOCK, NI

$2.99

$

In Stock, only 2 left!

0