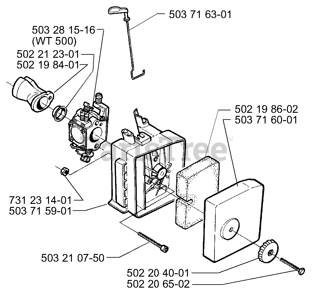
225 AI 15 - Husqvarna Ice Auger (1998-09) Air Filter/Carburetor Parts Diagram

Ice Auger

Air Filter/Carburetor Parts Diagram

  • Title
503281516

Husqvarna 503281516

CARBURETOR WT500 WALBRO

$

$

Not available

502212301

$

$

Not available

502198401

Husqvarna 502198401

INDUCTION PIPE

$22.99

$

In Stock, only 3 left!

0

503716301

Husqvarna 503716301

CHOKE CONTROL

$9.49

$

Usually ships in 3-10 days

0

502198602

Husqvarna 502198602

AIR FILTER

$6.99

$

In Stock, Qty 20+

0

503716001

Husqvarna 503716001

AIR FILTER COVER

$

$

Not available

502204001

$5.99

$

In Stock, Qty 20+

0

502206502

Husqvarna 502206502

SCREW 28MM THREAD LENGTH

$6.99

$

In Stock, Qty 8

0

503210750

$3.49

$

In Stock, Qty 13

0

503715901

Husqvarna 503715901

HOLDER
(Superseded to 537024901)

$

$

Not available

731231401

$2.49

$

In Stock, Qty 20+

0